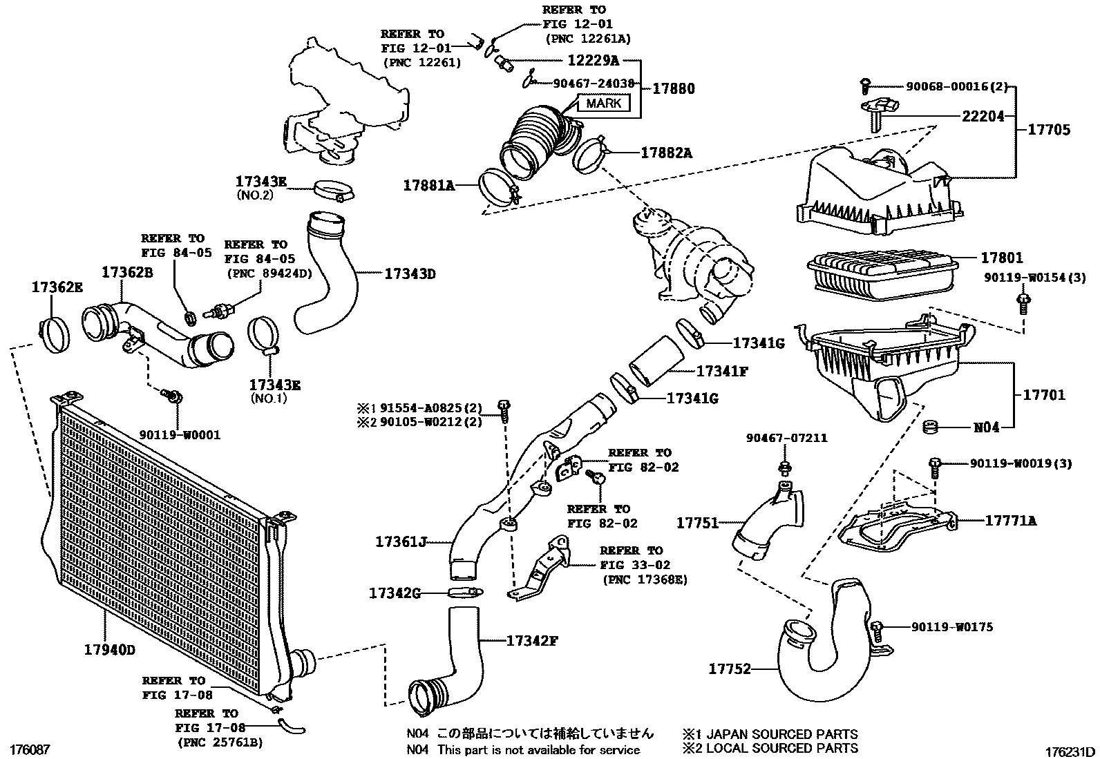
AIR CLEANER

1201
12229APIPE, VENTILATION
1708
17341FHOSE, AIR, NO.1
17341GCLAMP OR CLIP(FOR AIR HOSE, NO.1)
17342FHOSE, AIR, NO.2(FOR INTERCOOLER)
17342GCLAMP, HOSE, NO.2(FOR INTERCOOLER)
NO.2
NO.1
NO.1
17343DHOSE, AIR, NO.3
17343ECLAMP, HOSE(FOR AIR HOSE, NO.3)
NO.1
NO.2
17361JTUBE, AIR, NO.1
17362BTUBE, AIR, NO.2
17362ECLAMP, NO.2(FOR AIR TUBE, NO.2)
17701CASE SUB-ASSY, AIR CLEANER
17705CAP SUB-ASSY, AIR CLEANER
17751INLET, AIR CLEANER, NO.1
17752INLET, AIR CLEANER, NO.2
main17752-37030i1ZRFAE..ZGR20;2ZRFAE..ZGR21..E;2ZRFAE..ZGR21..6F..ENTRY;2ZRFAE..ZGR21..LHD..CVT..ENTRY201007-201211
17771ABRACKET, AIR CLEANER
17801ELEMENT SUB-ASSY, AIR CLEANER FILTER
17880HOSE ASSY, AIR CLEANER
MARK 17881-0R040
17881ACLAMP(FOR AIR CLEANER HOSE, NO.1)
main96111-10750i1ZRFAE..ZGR20;2ZRFAE..ZGR21..E;2ZRFAE..ZGR21..6F..ENTRY;2ZRFAE..ZGR21..LHD..CVT..ENTRY201007-201211
17882ACLAMP(FOR AIR CLEANER HOSE, NO.2)
main96111-10780i1ZRFAE..ZGR20;2ZRFAE..ZGR21..E;2ZRFAE..ZGR21..6F..ENTRY;2ZRFAE..ZGR21..LHD..CVT..ENTRY201007-201211
17940DINTERCOOLER ASSY
22204METER SUB-ASSY, INTAKE AIR FLOW
MARK 22204-0V010
MARK 22204-0V020
MARK 22204-28010
3302
8202
8405
9006800016
main90068-00016
90105W0212
main90105-W0212
90119W0001
main90119-W0001
90119W0019
main90119-W0019
90119W0154
main90119-W0154
90119W0175
main90119-W0175
9046707211
main90467-07211
9046724038
main90467-24038
91554A0825
main91554-A0825
35 parts on this diagram · 5 diagrams in section