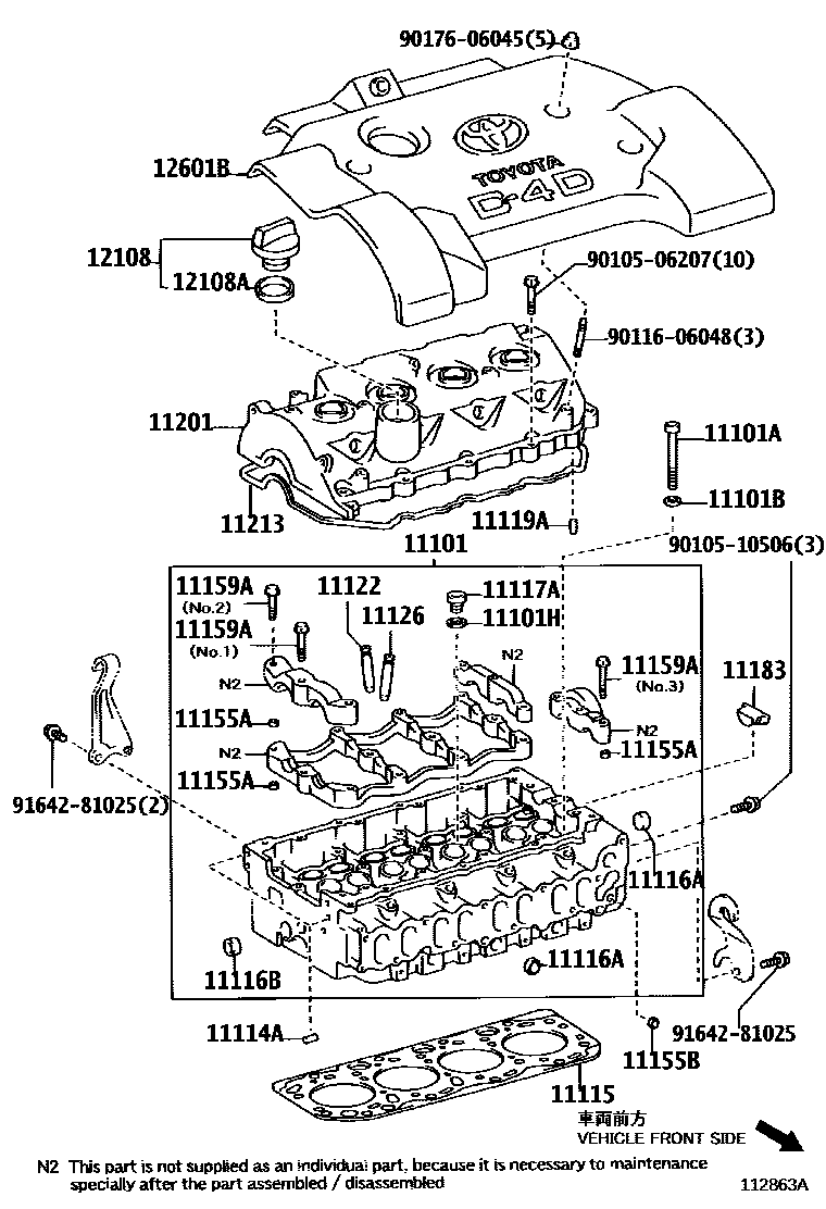
CYLINDER HEAD

11101BWASHER, PLATE(FOR CYLINDER HEAD SET)
11101HGASKET(FOR CYLINDER HEAD SCREW PLUG)
11114APIN, STRAIGHT
L=11,OD=6
11115GASKET, CYLINDER HEAD
sub11115-22041
sub11115-22050
MARK A
MARK B
MARK C
MARK D
MARK E
MARKA
MARKB
MARKC
MARKD
MARKE
11116APLUG, TIGHT, NO.1
11116BPLUG, TIGHT, NO.2
11117APLUG, W/HEAD TAPER SCREW, NO.1
11119APIN, STRAIGHT, NO.1
L=16,OD=6
11122BUSH, INTAKE VALVE GUIDE
STD
O/S 0.05
STD
O/S 0.05
O/S 0.05
STD
O/S 0.05
11126BUSH, EXHAUST VALVE GUIDE
STD
O/S 0.05
STD
O/S 0.05
O/S 0.05
STD
O/S 0.05
11155APIN, RING W/HEAD
11155BPIN, RING
sub90253-13005
11159ABOLT(FOR HEAD TO CAMSHAFT BEARING CAP)
NO.2
NO.1
NO.2
NO.1
NO.1
NO.2
NO.3
11183PLUG, SEMICIRCULAR
11213GASKET, CYLINDER HEAD COVER
(L)
(J)
(J)
12108CAP SUB-ASSY, OIL FILLER
(L)
(J)
(J)
12108AGASKET(FOR OIL FILLER CAP)
(J)
12601BCOVER SUB-ASSY, ENGINE, NO.1
(L)
(J)
9010506207
main90105-06207
9010510506
main90105-10506
9011606048
main90116-06048
9017606045
main90176-06045
9164281025
main91642-81025
26 parts on this diagram · 4 diagrams in section