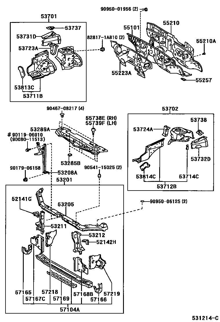
FRONT FENDER APRON & DASH PANEL

52141GSTAY, FRONT BUMPER, RH
52142HSTAY, FRONT BUMPER, LH
53205SUPPORT SUB-ASSY, RADIATOR, UPPER
53208ASUPPORT SUB-ASSY, HOOD LOCK
53211SUPPORT, RADIATOR, RH
53212SUPPORT, RADIATOR, LH
53285BSEAL, RADIATOR SIDE AIR, NO.1
53289ACOVER, RADIATOR SUPPORT OPENING
53711BAPRON, FRONT FENDER, FRONT RH
53712BAPRON, FRONT FENDER, FRONT LH
53714CEXTENSION, FRONT FENDER APRON, FRONT LH
53723AREINFORCEMENT, FRONT SPRING SUPPORT, RH
53724AREINFORCEMENT, FRONT SPRING SUPPORT, LH
53731DMEMBER, FRONT APRON TO COWL SIDE, UPPER RH
(J)
53732DMEMBER, FRONT APRON TO COWL SIDE, UPPER LH
(J)
53737PLATE, FRONT APRON TO COWL SIDE MEMBER, RH
(L)
(J)
53738PLATE, FRONT APRON TO COWL SIDE MEMBER, LH
(L)
(J)
53813CEXTENSION, FRONT FENDER, RH
53814CEXTENSION, FRONT FENDER, LH
55101PANEL SUB-ASSY, DASH
COLD AREA SPEC
55210ACLIP
sub90467-11068
55223AINSULATOR, DASH PANEL, OUTER
sub55223-05070
sub55223-05080
sub55223-05071
sub55223-05072
sub55223-05081
sub55223-05082
55257COVER, DASH PANEL OPENING
55738ESTOPPER, HOOD, RH
55739FSTOPPER, HOOD, LH
57165REINFORCEMENT, FRONT CROSSMEMBER, LOWER RH
57166REINFORCEMENT, FRONT CROSSMEMBER, LOWER LH
57167CGUSSET, FRONT CROSSMEMBER SIDE, RH
57168BGUSSET, FRONT CROSSMEMBER SIDE, LH
57169MEMBER, FRONT FLOOR, FRONT RH
(L)
(J)
57218GUSSET, FRONT SIDE MEMBER, NO.1
57219GUSSET, FRONT SIDE MEMBER, NO.2
828171A810PROTECTOR, WIRING HARNESS, NO.1
main82817-1A810
9008011513
main90080-11513
9011906010
main90119-06010
9017906158
main90179-06158
9046708217
main90467-08217
9054115025
main90541-15025
9095001956
main90950-01956
9095006125
main90950-06125
45 parts on this diagram · 2 diagrams in section