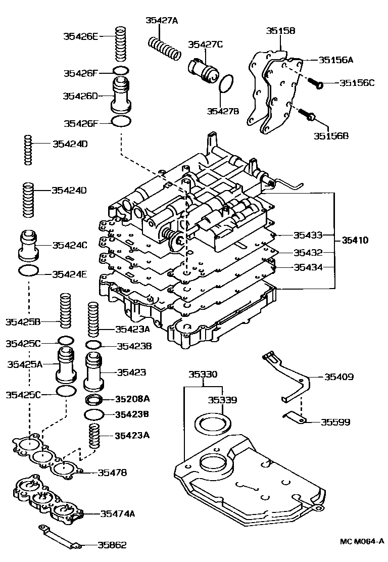
VALVE BODY & OIL STRAINER (ATM)

35156APLATE, TRANSMISSION CASE, NO.2
35156BBOLT(FOR TRANSMISSION CASE NO.2 PLATE)
35156CSCREW(FOR TRANSMISSION CASE NO.2 PLATE)
35158GASKET, TRANSMISSION CASE, NO.2 PLATE
35208ARING, HOLE SNAP (FOR B-2 ACCUMULATOR SPRING)
35330STRAINER ASSY, VALVE BODY OIL
35409SPRING SUB-ASSY, MANUAL DETENT
35410BODY ASSY, TRANSMISSION VALVE
35423PISTON, B-2 ACCUMULATOR
35423ASPRING, COMPRESSION (FOR B-2 ACCUMULATOR PISTON)
35423BRING, O (FOR B-2 ACCUMULATOR PISTON)
UPR
LWR
35424CPISTON, C-1 ACCUMULATOR
35424DSPRING, COMPRESSION (FOR C-1 ACCUMULATOR PISTON)
INNER
OUTER
OUTER
INNER
35424ERING, O (FOR C-1 ACCUMULATOR PISTON)
UPR
LWR
35425APISTON, C-2 ACCUMULATOR
35425BSPRING, COMPRESSION (FOR C-2 ACCUMULATOR PISTON)
35425CRING, O (FOR C-2 ACCUMULATOR PISTON)
UPR
UPR
LWR
35426DPISTON, C-3 ACCUMULATOR
35426ESPRING, COMPRESSION (FOR C-3 ACCUMULATOR PISTON)
35426FRING, O (FOR C-3 ACCUMULATOR PISTON)
UPR
LWR
35427ASPRING, COMPRESSION (FOR B-4 ACCUMULATOR PISTON)
35427BRING, O (FOR B-4 ACCUMULATOR PISTON)
35427CPISTON, B-4 ACCUMULATOR
35432PLATE, VALVE BODY, NO.1
35433GASKET, VALVE BODY, NO.1
35434GASKET, VALVE BODY, NO.2
35474ACOVER, ACCUMULATOR
35478GASKET, ACCUMULATOR COVER
35599COVER, MANUAL DETENT SPRING
35862BRACKET, ACCUMULATOR APPLY TUBE
31 parts on this diagram · 9 diagrams in section