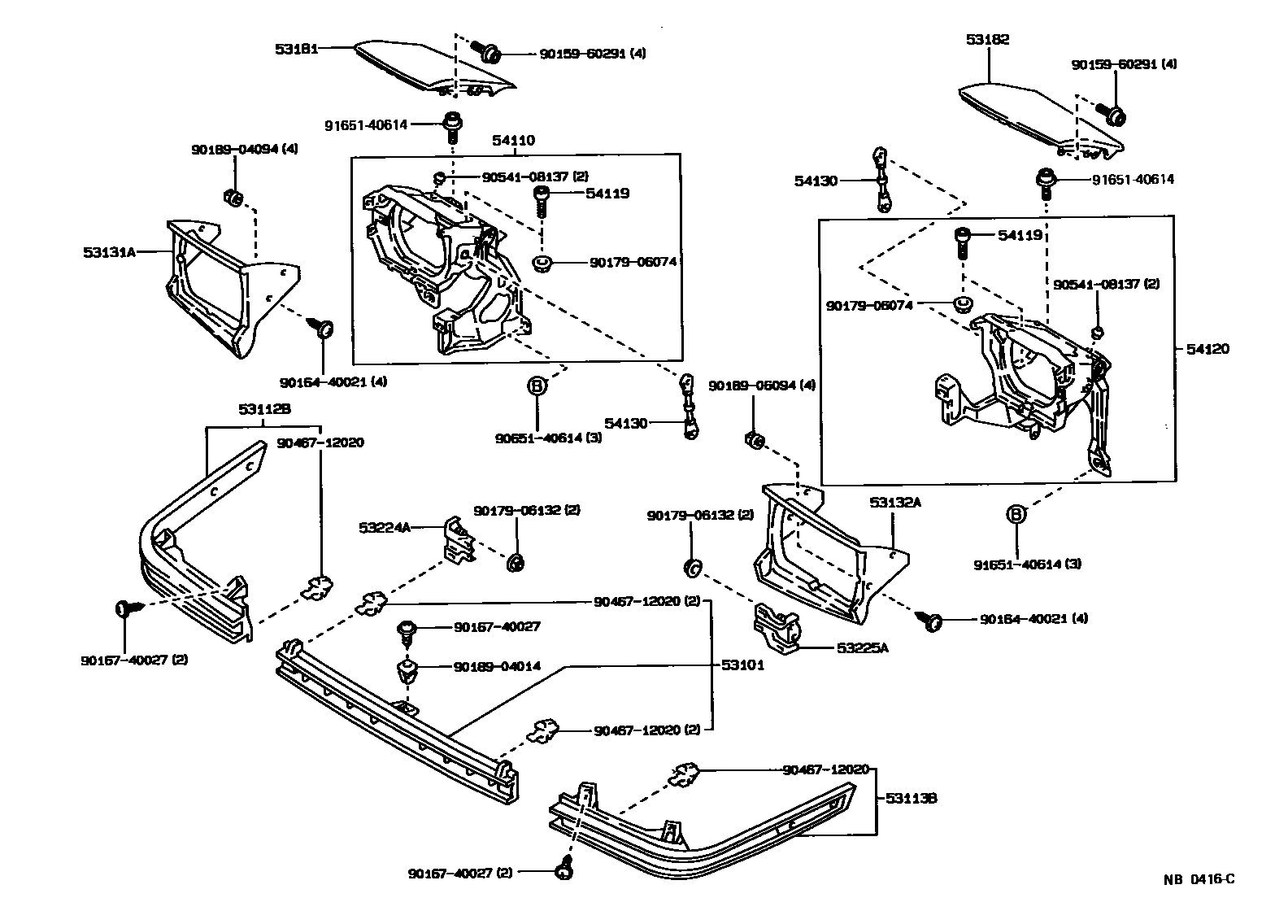
RADIATOR GRILLE

53101GRILLE SUB-ASSY, RADIATOR
53112BGRILLE, RADIATOR SIDE, RH
53113BGRILLE, RADIATOR SIDE, LH
53131ADOOR, HEADLAMP, RH
53132ADOOR, HEADLAMP, LH
53181COVER, HEADLAMP, RH
53182COVER, HEADLAMP, LH
53224ABRACKET, RADIATOR GRILLE MOUNTING, NO.2
53225ABRACKET, RADIATOR GRILLE MOUNTING, NO.3
54119STOP, RETRACTABLE HEADLAMP LINK
9015960291
main90159-60291
9016440021
main90164-40021
9016740027
main90167-40027
9017906074
main90179-06074
9017906132
main90179-06132
9018904014
main90189-04014
9018904094
main90189-04094
9018906094
main90189-06094
9046712020
main90467-12020
9054108137
main90541-08137
9065140614
main90651-40614
9165140614
main91651-40614
25 parts on this diagram · 1 diagram in section