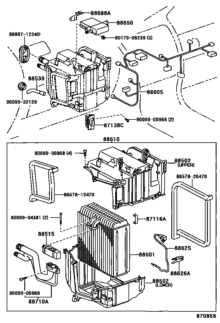
HEATING & AIR CONDITIONING - COOLER UNIT

87116ASPRING, HOLDING (FOR COOLER UNIT CASE)
87138CRESISTOR, BLOWER
88502CASE SUB-ASSY, COOLING UNIT
UPPER
LOWER
UPPER
LOWER
88510UNIT ASSY, COOLER
MAKER OPTION
DEALER OPTION
DEALER OPTION
88515VALVE, COOLER EXPANSION
88539HOSE, COOLER UNIT DRAIN, NO.1
DEALER OPTION
MAKER OPTION
88605HARNESS SUB-ASSY, COOLER WIRING, NO.1
W(POWER STEERING)
MAKER OPTION
MAKER OPTION
W(POWER STEERING),MAKER OPTION
MAKER OPTION
W(POWER STEERING),MAKER OPTION
DEALER OPTION
W(POWER STEERING),DEALER OPTION
EX.EMISSION CONTROL ECE(US87),DEALER OPTION
W(POWER STEERING),DEALER OPTION
DEALER OPTION
MAKER OPTION
DEALER OPTION
W(POWER STEERING),DEALER OPTION
DEALER OPTION
W(POWER STEERING),DEALER OPTION
MAKER OPTION
W(POWER STEERING),MAKER OPTION
DEALER OPTION
DEALER OPTION,W(*66)
88625THERMISTOR, COOLER, NO.1
88626AHOLDER, THERMISTOR
88650AMPLIFIER ASSY, COOLER STABILIZER
EX.EMISSION (ECE US87)
EX.EMISSION (ECE US87)
DEALER OPTION
W(POWER STEERING)
MAKER OPTION
88688ABRACKET, COOLER STABILIZER AMPLIFIER
MAKER OPTION
W(ABS & AIR CONDITIONER)
DEALER OPTION
MAKER OPTION
88710ATUBE ASSY, AIR CONDITIONER
8857812470PAKING, COOLER AIR DUCT
main88578-12470
8857820470PAKING, COOLER AIR DUCT
main88578-20470
8889712240VALVE, COOLER MAGNET
main88897-12240
9009900968
main90099-00968
9009904381
main90099-04381
9009932129
main90099-32129
9017906239
20 parts on this diagram · 4 diagrams in section