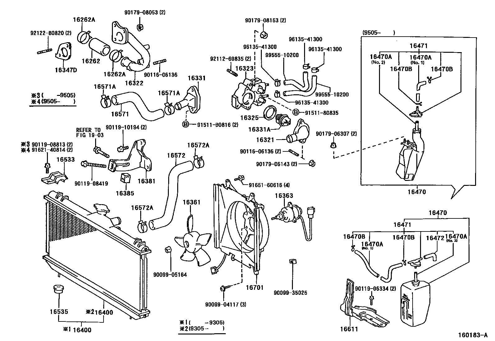
RADIATOR & WATER OUTLET

16262HOSE, WATER INLET
16262ACLIP(FOR WATER INLET HOSE)
16321INLET, WATER
16322PIPE, WATER INLET
16323HOUSING, WATER INLET
16325GASKET, WATER INLET HOUSING, NO.1
16331OUTLET, WATER
16331ATHERMOSTAT
*WAX 82-95
*WAX 82-95
16347DGASKET, WATER BY-PASS
16361FAN
NIPPONDENSO USA
NIPPONDENSO JAPAN
16363MOTOR, COOLING FAN
(L)
(J)
16381BAR, FAN BELT ADJUSTING
16385SLIDER, FAN BELT ADJUSTING
16400RADIATOR ASSY
NIPPONDENSO
NIPPONDENSO
DIFFERENTIAL RATIO=3.722
DIFFERENTIAL RATIO=3.722,NIPPONDENSO
DIFFERENTIAL RATIO=3.722,NIPPONDENSO
NIPPONDENSO
16470TANK ASSY, RADIATOR RESERVE
main16470-15090i7AFE..AE102..JPP..4FC..CND;4AFE,7AFE..AE10#..JPP..(3FC,5F);7AFE..AE102..JPP..SED..4FC..USA¥2,870199505-199508
16470AHOSE OR PIPE(FOR RADIATOR RESERVE TANK)
NO.1
NO.1
main90445-12078i7AFE..AE102..JPP..4FC..CND;4AFE,7AFE..AE10#..JPP..(3FC,5F);7AFE..AE102..JPP..SED..4FC..USA¥580199505-199508
NO.2
main90445-12078i7AFE..AE102..JPP..4FC..CND;4AFE,7AFE..AE10#..JPP..(3FC,5F);7AFE..AE102..JPP..SED..4FC..USA¥580199206-199508
L=600(*H,L=170),NO.2
16470BCLAMP OR CLIP(FOR RADIATOR RESERVE TANK HOSE)
16471CAP SUB-ASSY, RESERVE TANK
sub16405-15091
main16405-15100i7AFE..AE102..JPP..4FC..CND;4AFE,7AFE..AE10#..JPP..(3FC,5F);7AFE..AE102..JPP..SED..4FC..USA199505-199508
16472HOSE, BREATHER
16533SUPPORT, RADIATOR, UPPER
W(*66),(L),RH
(L)
BRAZIL SPEC,(L),RH
(L),RH
(J)
W(*66),(J),RH
(J),RH
BRAZIL SPEC,(J),RH
main16533-15130i4AFE..AE101..JPP;7AFE..AE102..JPP..USA;7AFE..AE102..JPP..SED..CND¥3,990199305-199405
W(*66),LH
BRAZIL SPEC,LH
LH
16535SUPPORT, RADIATOR, LOWER
TOYOTA GOUSEI
MARUYASU
TOYOTA GOUSEI
TOYOTA GOUSEI
16571HOSE, RADIATOR, INLET
(L)
main16571-02050i7AFE..AE102..JPP..5F;7AFE..AE102..JPP..4FC..CND;7AFE..AE102..JPP..SED..4FC..USA199505-199704
(L)
(J)
(J)
16571ACLAMP OR CLIP, HOSE(FOR RADIATOR INLET)
16572HOSE, RADIATOR, OUTLET
(L)
(L)
(J)
(J)
16572ACLAMP OR CLIP, HOSE(FOR RADIATOR OUTLET NO.1)
16611BRACKET, RADIATOR RESERVE TANK
16701SHROUD SUB-ASSY, FAN
NIPPONDENSO USA
NIPPONDENSO JAPAN
1903
9009904117
main90099-04117
9009905164
9009935025
main90099-35025
9011606136
9011906334
9011908419
9011908813
9011910194
9017906143
9017906307
9017908053
9017908153
9151180835
91511B0816
9162140814
9165160616
9211260835
92122B0820
9613541300
9955510200
48 parts on this diagram · 2 diagrams in section