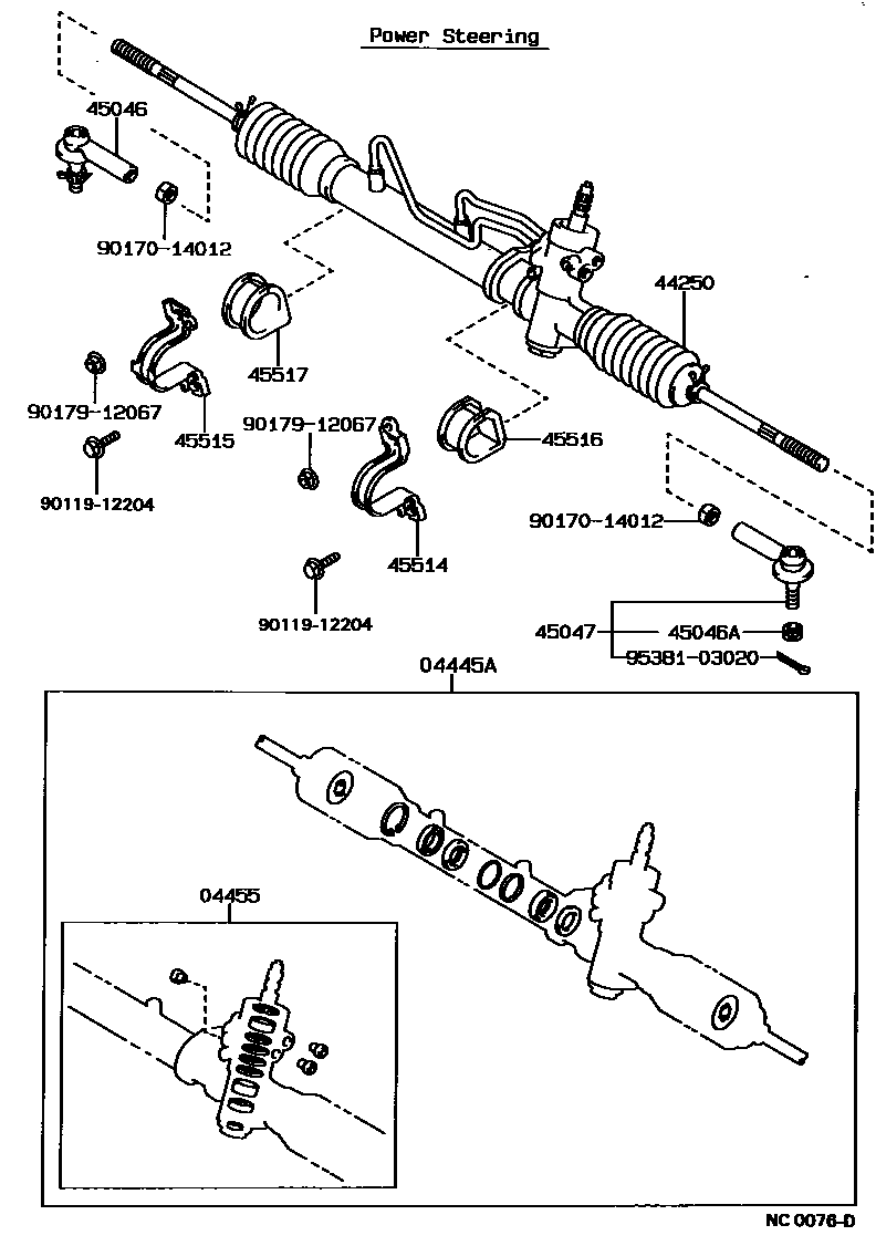
FRONT STEERING GEAR & LINK

04445AGASKET KIT, POWER STEERING GEAR(FOR RACK & PINION)
04455GASKET KIT, POWER STEERING CONTROL VALVE OVERHOLE
44250GEAR ASSY, POWER STEERING(FOR RACK & PINION)
sub44250-12232
45046END SUB-ASSY, TIE ROD, RH
45046ANUT, CASTLE(FOR TIE ROD END)
45047END SUB-ASSY, TIE ROD, LH
45514BRACKET, STEERING RACK HOUSING, NO.1
W(POWER STEERING)
45516GROMMET, STEERING RACK HOUSING, NO.1
W(POWER STEERING)
45517GROMMET, STEERING RACK HOUSING, NO.2
W(POWER STEERING)
W(POWER STEERING)
9011912204
main90119-12204
9017014012
main90170-14012
9017912067
main90179-12067
9538103020
main95381-03020
14 parts on this diagram · 3 diagrams in section