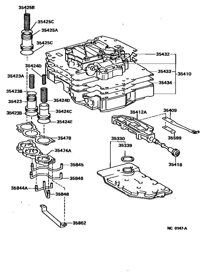
VALVE BODY & OIL STRAINER (ATM)

35330STRAINER ASSY, VALVE BODY OIL
35339GASKET, OIL STRAINER
35409SPRING SUB-ASSY, MANUAL DETENT
35410BODY ASSY, TRANSMISSION VALVE
AISIN WARNER
AISIN WARNER
35412ABODY, MANUAL VALVE
35418VALVE, MANUAL
35423PISTON, B-2 ACCUMULATOR
AISIN WARNER
AISIN WARNER
35423ASPRING, COMPRESSION (FOR B-2 ACCUMULATOR PISTON)
AISIN WARNER,LWR
AISIN WARNER,LWR
LWR
LWR
LWR
UPR
AISIN WARNER,UPR
AISIN WARNER,UPR
UPR
35423BRING, O (FOR B-2 ACCUMULATOR PISTON)
UPR
LWR
35424CPISTON, C-1 ACCUMULATOR
AISIN WARNER
AISIN WARNER
35424DSPRING, COMPRESSION (FOR C-1 ACCUMULATOR PISTON)
OUTER
AISIN WARNER,OUTER
AISIN WARNER,OUTER
OUTER
AISIN WARNER,INNER
INNER
OUTER
OUTER
OUTER
INNER
INNER
AISIN WARNER,INNER
35424ERING, O (FOR C-1 ACCUMULATOR PISTON)
UPR
LWR
35425APISTON, C-2 ACCUMULATOR
35425BSPRING, COMPRESSION (FOR C-2 ACCUMULATOR PISTON)
AISIN WARNER
35425CRING, O (FOR C-2 ACCUMULATOR PISTON)
UPR
UPR
LWR
35432PLATE, VALVE BODY, NO.1
AISIN WARNER
35433GASKET, VALVE BODY, NO.1
35434GASKET, VALVE BODY, NO.2
35474ACOVER, ACCUMULATOR
AISIN WARNER
35478GASKET, ACCUMULATOR COVER
35599COVER, MANUAL DETENT SPRING
35844ATUBE, ACCUMULATOR BACK PRESSURE, NO.1
35845TUBE, RR CLUTCH ACCUMULATOR
35846TUBE, BRAKE ACCUMULATOR
35848TUBE, FORWARD CLUTCH ACCUMULATOR
AISIN WARNER
35862BRACKET, ACCUMULATOR APPLY TUBE
26 parts on this diagram · 12 diagrams in section