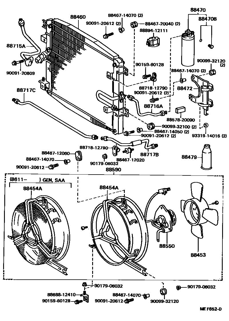
HEATING & AIR CONDITIONING - COOLER PIPING

88453FAN, COOLING (FOR CONDENSER)
FRENCH TERRITORY SPEC
FRENCH TERRITORY SPEC
FRENCH TERRITORY SPEC
FRENCH TERRITORY SPEC
88454ASHROUD, FAN
FRENCH TERRITORY SPEC
sub88454-12090
FRENCH TERRITORY SPEC
FRENCH TERRITORY SPEC
FRENCH TERRITORY SPEC
88460CONDENSER ASSY, COOLER
A TYPE
A TYPE
A TYPE
A TYPE
88470RECEIVER & DRYER ASSY, COOLER
88470BBOLT, FUSE
FRENCH TERRITORY SPEC
88472BRACKET, RECEIVER TANK, NO.1
FRENCH TERRITORY SPEC
88479FREON GAS, AIR CONDITIONER (DRUM, COOLER REFRIGERANT)
88550MOTOR ASSY, BLOWER (FOR CONDENSER)
FRENCH TERRITORY SPEC
FRENCH TERRITORY SPEC
88590BLOWER ASSY, W/SHROUD
sub88590-12010
sub88590-12140
FRENCH TERRITORY SPEC
sub88590-12021
sub88590-12100
sub88590-12071
FRENCH TERRITORY SPEC
sub88590-12010
sub88590-12140
88715APIPE, COOLER REFRIGERANT DISCHARGE, A
FRENCH TERRITORY SPEC
FRENCH TERRITORY SPEC
88716APIPE, COOLER REFRIGERANT LIQUID, A
FRENCH TERRITORY SPEC
FRENCH TERRITORY SPEC
88717BPIPE, COOLER REFRIGERANT SUCTION, B
B TYPE
88717CPIPE, COOLER REFRIGERANT SUCTION, C
B TYPE
B TYPE
A TYPE
8846712020CUSHION, COOLER CONDENSER, NO.1
main88467-12020
8846712060CUSHION, COOLER CONDENSER, NO.1
main88467-12060
8846714050CUSHION, COOLER CONDENSER, NO.1
main88467-14050
8846714070CUSHION, COOLER CONDENSER, NO.1
main88467-14070
8846720040CUSHION, COOLER CONDENSER, NO.1
main88467-20040
8857820090PAKING, COOLER AIR DUCT
main88578-20090
8868812410BRACKET, COOLER DIAPHRAGM
main88688-12410
8871812790PIPE, COOLER REFRIGERANT SUCTION, NO.2
main88718-12790
8889412111
main88894-12111
9009120612
main90091-20612
9009120809
9009932100
main90099-32100
9009932120
main90099-32120
9015960128
9017906032
9331914016
29 parts on this diagram · 12 diagrams in section