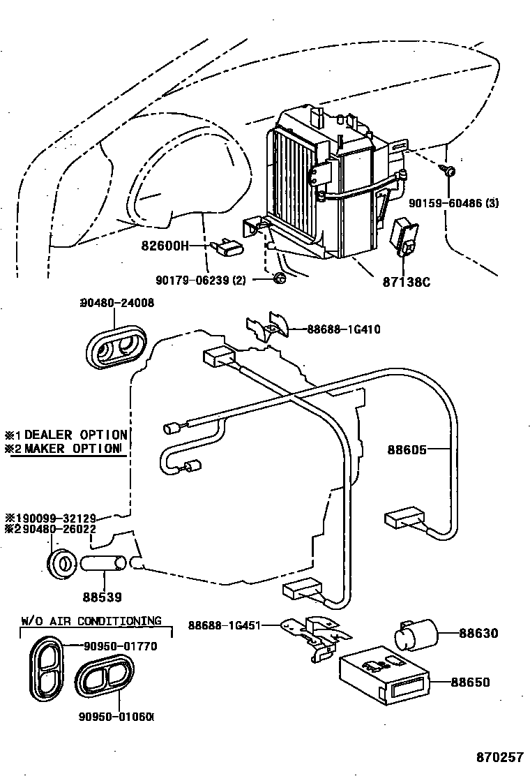
HEATING & AIR CONDITIONING - COOLER UNIT

82600HFUSE, FUSE BLOCK
10A,MINI FUSE,RED
87138CRESISTOR, BLOWER
88539HOSE, COOLER UNIT DRAIN, NO.1
sub88539-08010
88605HARNESS SUB-ASSY, COOLER WIRING, NO.1
W(POWER STEERING)
88630RELAY ASSY, COOLER
88650AMPLIFIER ASSY, COOLER STABILIZER
W(POWER STEERING)
W(POWER STEERING)
886881G410BRACKET, COOLER DIAPHRAGM
main88688-1G410
886881G451BRACKET, COOLER DIAPHRAGM
main88688-1G451
9009932129
main90099-32129
9015960486
main90159-60486
9017906239
main90179-06239
9048024008
main90480-24008
9048026022
main90480-26022
9095001060
main90950-01060
9095001770
main90950-01770
15 parts on this diagram · 3 diagrams in section