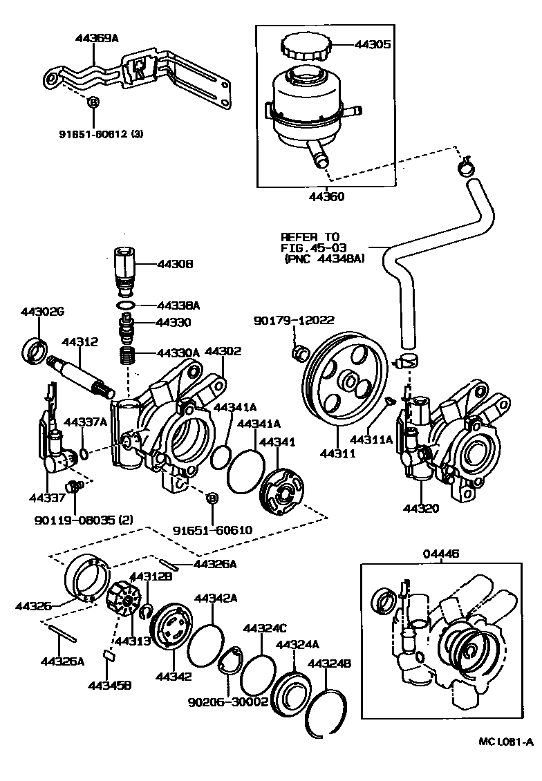
VANE PUMP & RESERVOIR (POWER STEERING)

04446GASKET KIT, POWER STEERING PUMP
44302HOUSING SUB-ASSY, VANE PUMP, FRONT
44302GSEAL, OIL, NO.2(FOR VANE PUMP HOUSING)
44305CAP SUB-ASSY, VANE PUMP OIL RESERVOIR
44308UNION SUB-ASSY, PRESSURE PORT
44311PULLEY, VANE PUMP
44311AKEY, VANE PUMP PULLEY
44312SHAFT, VANE PUMP
44312BRING, SNAP, NO.1(FOR VANE PUMP SHAFT)
44313ROTOR, VANE PUMP
NO MARK
MARK 1
MARK 2
MARK 3
MARK 4
44320PUMP ASSY, VANE
44324AHOUSING, PUMP, REAR
44324BRING, HOLE SNAP(FOR PUMP HOUSING REAR)
44324CRING, O(FOR PUMP HOUSING REAR)
44326RING, CAM(FOR VANE PUMP)
NO MARK
MARK 1
MARK 2
MARK 3
MARK 4
44326APIN, STRAIGHT(FOR VANE PUMP CAM RING)
L=28,OD=4.0
L=43,OD=4.0
44330VALVE ASSY, FLOW CONTROL
MARK A
MARK B
MARK C
MARK D
MARK E
MARK F
44330ASPRING, COMPRESSION(FOR FLOW CONTROL VALVE)
44337UNION, POWER STEERING SUCTION PORT
44337ARING, O(FOR POWER STEERING SUCTION PORT)
44338ARING, O(FOR PRESSURE PORT UNION)
44341PLATE, VANE PUMP SIDE, FRONT
44341ARING, O(FOR VANE PUMP FRONT SIDE PLATE)
OUTER
44342PLATE, VANE PUMP SIDE, REAR
44342ARING, O(FOR VANE PUMP SIDE PLATE REAR)
44345BPLATE, VANE PUMP
L=14.997
L=14.995
L=14.993
L=14.991
L=14.989
44360RESERVOIR ASSY, VANE PUMP OIL
44369ABRACKET, OIL RESERVOIR, NO.1
4503
9011908035
9017912022
9020630002
9165160610
9165160612
34 parts on this diagram · 1 diagram in section