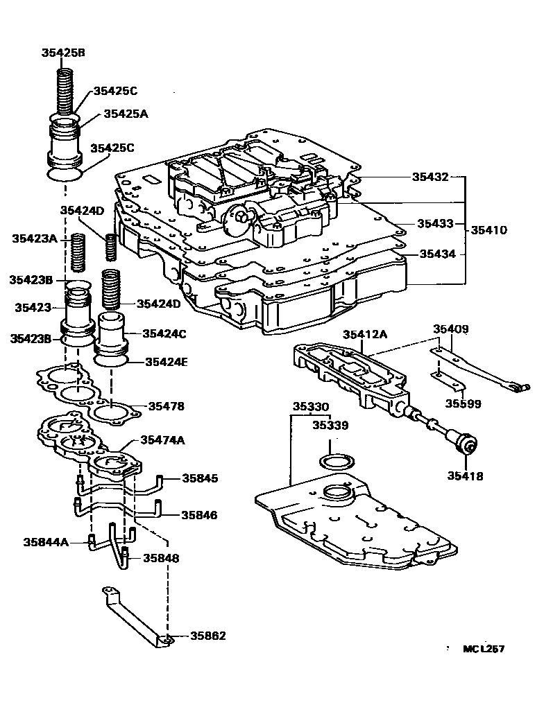
VALVE BODY & OIL STRAINER (ATM)

35330STRAINER ASSY, VALVE BODY OIL
35339GASKET, OIL STRAINER
35409SPRING SUB-ASSY, MANUAL DETENT
35410BODY ASSY, TRANSMISSION VALVE
35412ABODY, MANUAL VALVE
35418VALVE, MANUAL
35423PISTON, B-2 ACCUMULATOR
35423ASPRING, COMPRESSION (FOR B-2 ACCUMULATOR PISTON)
35423BRING, O (FOR B-2 ACCUMULATOR PISTON)
UPR
LWR
35424CPISTON, C-1 ACCUMULATOR
35424DSPRING, COMPRESSION (FOR C-1 ACCUMULATOR PISTON)
35424ERING, O (FOR C-1 ACCUMULATOR PISTON)
UPR
LWR
35425APISTON, C-2 ACCUMULATOR
35425BSPRING, COMPRESSION (FOR C-2 ACCUMULATOR PISTON)
35425CRING, O (FOR C-2 ACCUMULATOR PISTON)
UPR
LWR
35432PLATE, VALVE BODY, NO.1
sub35432-12250
35433GASKET, VALVE BODY, NO.1
35434GASKET, VALVE BODY, NO.2
35474ACOVER, ACCUMULATOR
35478GASKET, ACCUMULATOR COVER
35599COVER, MANUAL DETENT SPRING
35844ATUBE, ACCUMULATOR BACK PRESSURE, NO.1
35845TUBE, RR CLUTCH ACCUMULATOR
35846TUBE, BRAKE ACCUMULATOR
35848TUBE, FORWARD CLUTCH ACCUMULATOR
35862BRACKET, ACCUMULATOR APPLY TUBE
26 parts on this diagram · 4 diagrams in section