ALTERNATOR

1605
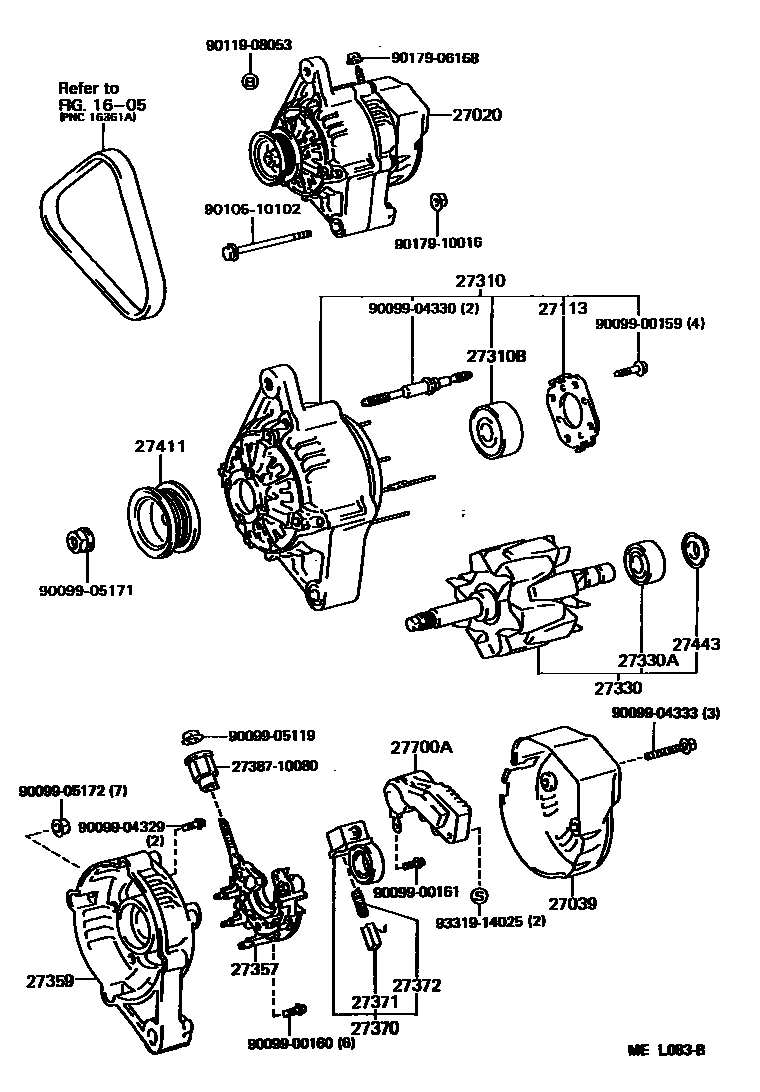
27020ALTERNATOR ASSY
12V 55A,W(AIR CONDITIONER)
12V 55A
12V 55A,COLD SPEC OR COLD SPEC & W(AIR CONDITIONER)
12V 55A
12V 60A
27039COVER, ALTERNATOR REAR END
12V 55A,60A,NO.2
12V 55A,NO.2
12V 55A,NO.1
NO.1
12V 55A,60A,NO.1
27113PLATE, BEARING RETAINER, ALTERNATOR
12V 55A,60A
27310FRAME ASSY, DRIVE END, ALTERNATOR
12V 55A,W(AIR CONDITIONER)
sub27310-10070
12V 55A
12V 55A,COLD SPEC OR COLD SPEC & W(AIR CONDITIONER)
12V 55A,60A
27330ROTOR ASSY, ALTERNATOR
12V 55A,60A
27330ABEARING(FOR ALTERNATOR ROTOR)
12V 55A,60A
27357HOLDER, ALTERNATOR, W/RECTIFIER
12V 55A,60A
27359FRAME, ALTERNATOR RECTIFIER END
12V 55A,60A
12V 55A
COLD SPEC OR COLD SPEC & W(AIR CONDITIONER),12V 55A
12V 55A,W(AIR CONDITIONER)
27370HOLDER ASSY, ALTERNATOR BRUSH
sub27370-54450
27371BRUSH, ALTERNATOR
sub27371-70300
27372SPRING, ALTERNATOR BRUSH
sub27372-87501
27411PULLEY, ALTERNATOR
12V 55A,60A
27443COVER, ALTERNATOR BEARING
2738710080INSULATOR, TERMINAL
main27387-10080
9009900159
main90099-00159
9009900160
main90099-00160
9009900161
main90099-00161
9009904329
main90099-04329
9009904330
main90099-04330
9009904333
main90099-04333
9009905119
main90099-05119
9009905171
main90099-05171
9009905172
main90099-05172
9010510102
main90105-10102
9011908053
main90119-08053
9017906158
main90179-06158
9017910016
main90179-10016
9331914025
main93319-14025
31 parts on this diagram · 2 diagrams in section