E
EPC Data

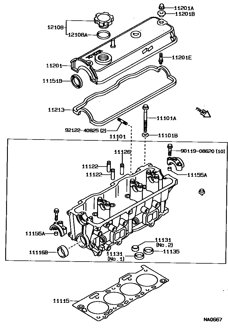
CYLINDER HEAD

Parts diagram
11101HEAD SUB-ASSY, CYLINDER
main11101-19305i198908-199009
11101ABOLT(FOR CYLINDER HEAD SET)
main90105-09002i198808-199009
11101BWASHER, PLATE(FOR CYLINDER HEAD SET)
main90201-09015i198808-199009
11115GASKET, CYLINDER HEAD
main11115-11010i198808-199009
T=1.25
11116BPLUG, TIGHT, NO.2
main96411-44000i198808-199009
11122BUSH, INTAKE VALVE GUIDE
main11122-10040i198808-199009
STD
main11123-10040i198808-199009
O/S 0.05
11126BUSH, EXHAUST VALVE GUIDE
main11122-10040i198808-199009
STD
main11123-10040i198808-199009
O/S 0.05
11131SEAT, INTAKE VALVE
main11131-11010i198808-199009
STD,NO.1
main11132-11010i198808-199009
O/S 0.03,NO.1
main11137-11020i198808-199009
STD,NO.2
main11138-11020i198808-199009
O/S 0.03,NO.2
11135SEAT, EXHAUST VALVE
main11135-11010i198808-199009
STD
main11136-11010i198808-199009
O/S 0.03
11151BSEAL, OIL(FOR CAMSHAFT SETTING)
main90311-35013i199002-199009
main90311-35017i198808-199002
11155APIN, RING W/HEAD
main90253-11021i198808-199009
11201COVER SUB-ASSY, CYLINDER HEAD
main11201-10010i198808-199009
11201ANUT, CAP(FOR CYLINDER HEAD COVER)
main90176-08007i198808-199009
11201BWASHER, SEAL(FOR CYLINDER HEAD COVER)
main90210-09001i198808-199009
11201EBOLT, STUD(FOR CYLINDER HEAD COVER SET)
main90116-08190i198808-199009
11213GASKET, CYLINDER HEAD COVER
main11213-10010i198808-199009
12108CAP SUB-ASSY, OIL FILLER
main12180-11020i198808-199009
12108AGASKET(FOR OIL FILLER CAP)
main12195-71020i198808-199009
9011908620
9212240825

20 parts on this diagram · 1 diagram in section

CYLINDER HEAD — Toyota Parts Diagram with OEM Numbers & Prices | EPC Data