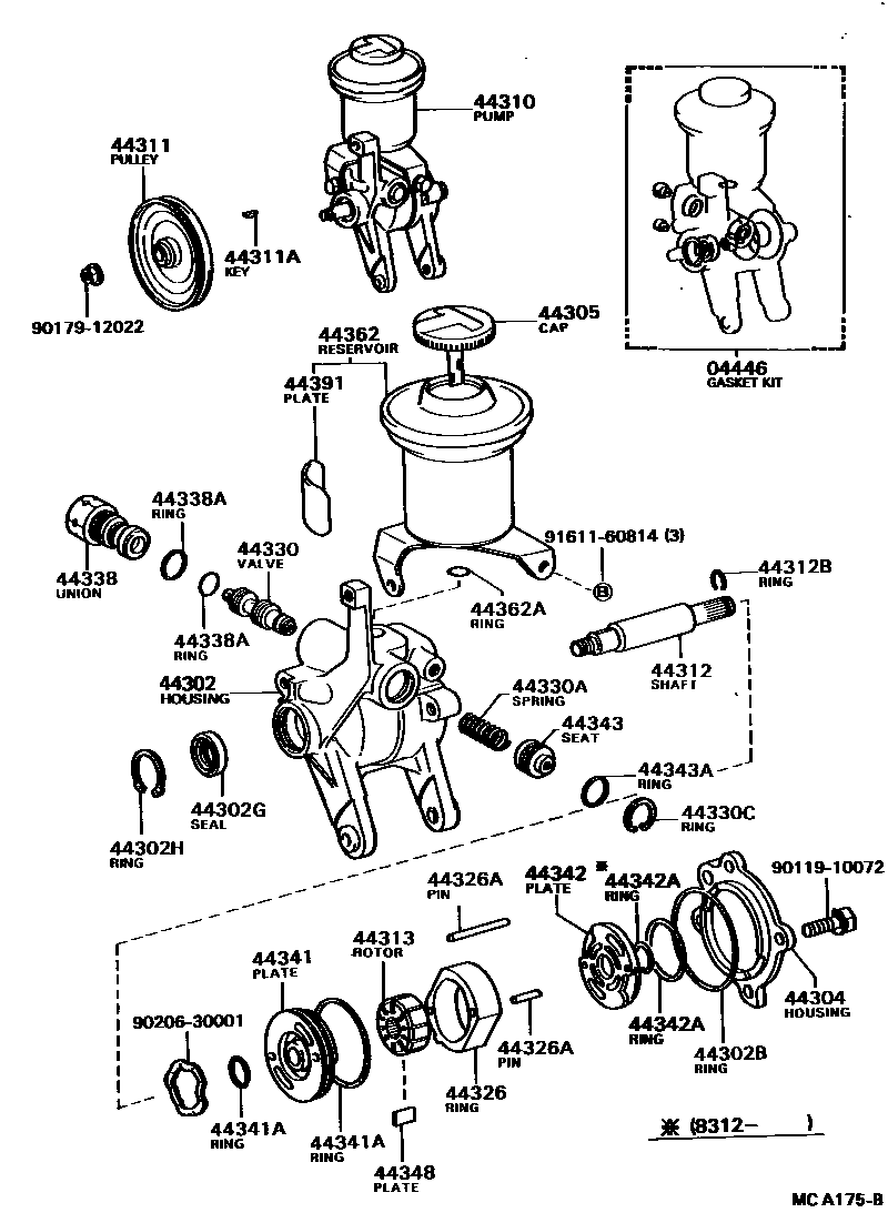
VANE PUMP & RESERVOIR (POWER STEERING)

44302HOUSING SUB-ASSY, VANE PUMP, FRONT
44302BRING, O, NO.1(FOR VANE PUMP HOUSING)
44302GSEAL, OIL, NO.2(FOR VANE PUMP HOUSING)
44302HRING, SNAP, NO.1(FOR VANE PUMP HOUSING)
44305CAP SUB-ASSY, VANE PUMP OIL RESERVOIR
sub44305-22040
44310PUMP ASSY, VANE
44311PULLEY, VANE PUMP
44311AKEY, VANE PUMP PULLEY
44312SHAFT, VANE PUMP
44312BRING, SNAP, NO.1(FOR VANE PUMP SHAFT)
44313ROTOR, VANE PUMP
44326RING, CAM(FOR VANE PUMP)
NO MARK
MARK 1,MARK 1
MARK 2,MARK 2
MARK 3,MARK 3
MARK 4,MARK 4
44326APIN, STRAIGHT(FOR VANE PUMP CAM RING)
L=25,OD=5.0,L=25
L=43.5,OD=5.0,L=43.5
44330VALVE ASSY, FLOW CONTROL
44330ASPRING, COMPRESSION(FOR FLOW CONTROL VALVE)
44330CRING, SNAP(FOR FLOW CONTROL VALVE)
44338ARING, O(FOR PRESSURE PORT UNION)
OD=25.5,ID=22.5,OD=25.5
OD=17.0,ID=13.0,OD=17
44341PLATE, VANE PUMP SIDE, FRONT
sub44341-30030
44341ARING, O(FOR VANE PUMP FRONT SIDE PLATE)
INSIDE
OUTSIDE
44342ARING, O(FOR VANE PUMP SIDE PLATE REAR)
INNER
OUTER
44343SEAT, FLOW CONTROL SPRING
44343ARING, O(FOR FLOW CONTROL SPRING SEAT)
44348PLATE, VANE PUMP
L=14.997,ROTOR NO MARK
L=14.995,ROTOR MARK 1
L=14.993,ROTOR MARK 2
L=14.991,ROTOR MARK 3
L=14.989,ROTOR MARK 4
44362RESERVOIR, OIL(FOR VANE PUMP)
44362ARING, O(FOR VANE PUMP OIL RESERVOIR)
44391PLATE, POWER STEERING OIL RESERVOIR CAUTION
9011910072
main90119-10072
9017912022
main90179-12022
9020630001
main90206-30001
9161160814
main91611-60814
34 parts on this diagram · 1 diagram in section