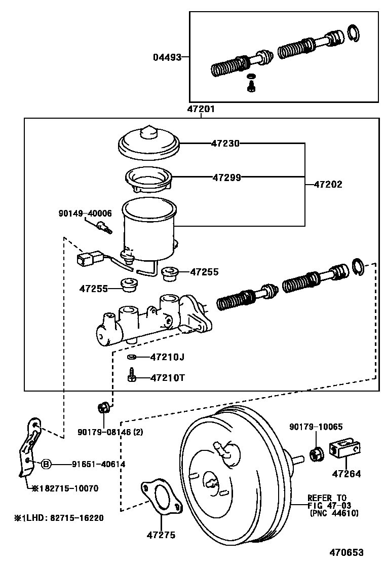
BRAKE MASTER CYLINDER

04493CYLINDER KIT, BRAKE MASTER
W(ABS)
W(ABS)
4703
47201CYLINDER SUB-ASSY, BRAKE MASTER
W(ABS)
W(ABS)
W(ABS)
W(ABS)
47202RESERVOIR SUB-ASSY, BRAKE MASTER CYLINDER
47210JGASKET(FOR MASTER CYLINDER)
47210TBOLT(FOR BRAKE MASTER CYLINDER)
47230CAP ASSY, BRAKE MASTER CYLINDER RESERVOIR FILLER
47255GROMMET, MASTER CYLINDER RESERVOIR
47264CLEVIS, MASTER CYLINDER PUSH ROD
W(ABS)
47275GASKET, BRAKE MASTER CYLINDER
47299STRAINER, BRAKE MASTER CYLINDER RESERVOIR
8271510070BRACKET,WIRING HARNESS CLAMP
main82715-10070
8271516220BRACKET,WIRING HARNESS CLAMP
main82715-16220
9014940006
main90149-40006
9017908146
main90179-08146
9017910065
main90179-10065
9165140614
main91651-40614
17 parts on this diagram · 1 diagram in section