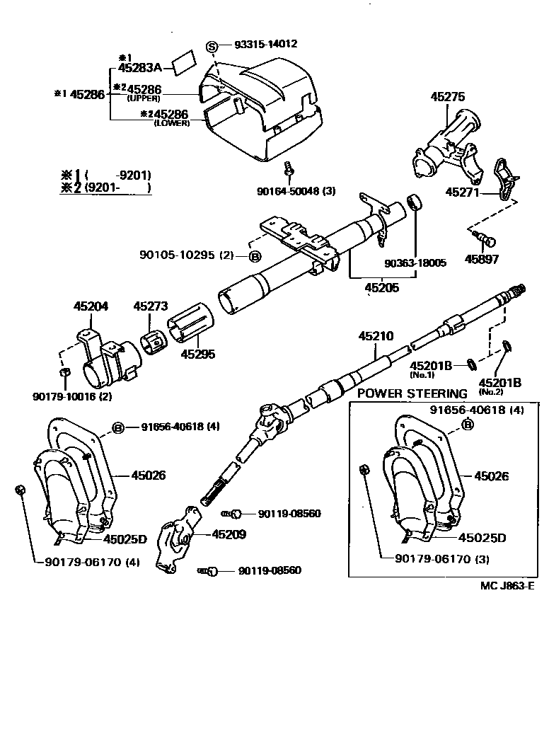
STEERING COLUMN & SHAFT

45025DCOVER SUB-ASSY, STEERING COLUMN HOLE, NO.1
W(POWER STEERING)
W(POWER STEERING)
45026COVER SUB-ASSY, STEERING COLUMN HOLE, NO.2
W(POWER STEERING)
W(POWER STEERING)
45201BRING, SHAFT SNAP(FOR STEERING MAIN SHAFT)
T=1.20
T=1.20,NO.1
T=1.35-1.45
T=1.20,NO.2
45204TUBE ASSY, STEERING COLUMN, LOWER
45205TUBE SUB-ASSY, STEERING COLUMN
45209YOKE SUB-ASSY, STEERING SLIDING
W(POWER STEERING)
45210SHAFT ASSY, STEERING MAIN
W(POWER STEERING)
W(POWER STEERING)
45271CLAMP, STEERING COLUMN, UPPER
45283APLATE, BEAM CHANGE & TURN SIGNAL CAUTION
45286COVER, STEERING COLUMN
45295BUSH, STEERING COLUMN TUBE
45897BOLT, STEERING LOCK SET
9010510295
main90105-10295
9011908560
main90119-08560
9016450048
main90164-50048
9017906170
main90179-06170
9017910016
main90179-10016
9036318005
main90363-18005
9165640618
main91656-40618
9331514012
main93315-14012
22 parts on this diagram · 2 diagrams in section