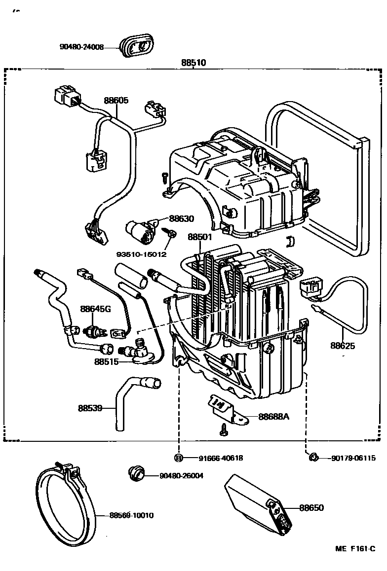
HEATING & AIR CONDITIONING - COOLER UNIT

88510UNIT ASSY, COOLER
W/HEATER
sub88510-10190
sub88539-12080
sub88569-17090
sub88578-10090
sub88605-10230
sub88630-10040
sub88688-10060
W/BOOST VENTILATOR
88515VALVE, COOLER EXPANSION
88539HOSE, COOLER UNIT DRAIN, NO.1
88605HARNESS SUB-ASSY, COOLER WIRING, NO.1
W/HEATER
W/BOOST VENTILATOR
88625THERMISTOR, COOLER, NO.1
88630RELAY ASSY, COOLER
88645GSWITCH, PRESSURE
88650AMPLIFIER ASSY, COOLER STABILIZER
W/HEATER
W/BOOST VENTILATOR
W/HEATER
W/BOOST VENTILATOR
88688ABRACKET, COOLER STABILIZER AMPLIFIER
8856910010CLAMP (FOR COOLER RELAY)
9017906115
9048024008
main90480-24008
9048026004
9166640618
9351015012
16 parts on this diagram · 1 diagram in section