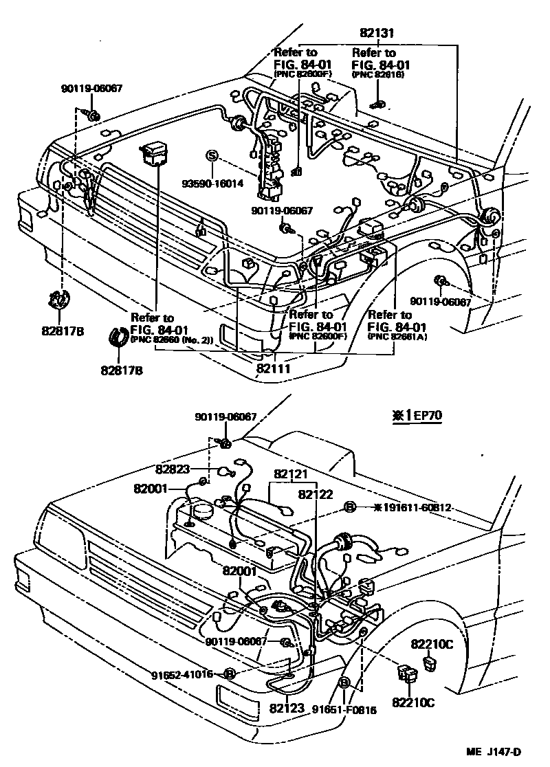
WIRING & CLAMP

82001CABLE, BOND, NO.1
E/G HUNGER TO BODY
E/G CLUTCH TO BODY
82111WIRE, ENGINE ROOM MAIN
W/O *FRG
*FRG
ENGLAND SPEC
ENGLAND SPEC
82121WIRE, ENGINE
BATTERY=50D20R
BATTERY=50D20R
BATTERY=50D20R
BATTERY=50D20R
BATTERY=50D20R
BATTERY=50D20R
BATTERY=50D20R
BATTERY=50D20R
BATTERY=50D20R
sub82121-10491
BATTERY=50D20R
BATTERY=50D20R
sub82121-10511
BATTERY=50D20R
BATTERY=50D20R
82122WIRE, ENGINE, NO.2
SWEDEN SPEC OR BATTERY=50D20R
BATTERY=50D20R
82131WIRE, COWL
sub82131-10161
*SNR &/OR *RFL
W/*SNR,*RFL &/OR *TAC
sub82131-10231
sub82131-10241
W/*SNR &/OR *RW
W/*RHW,*TAC &/OR *RW
W/*RFL
W/*RFL,W/*RFL & *RW
W/*SNR,*RFL,*TAC &/OR *RW
W/*RHW,*SNR,*TAC &/OR *RW
sub82131-10291
W/*RHW,*SNR,*TAC &/OR *RW
FINLAND SPEC
FINLAND W/*SNR,*TAC &/OR *RW
sub82131-10311
FINLAND W/*SNR,*TAC &/OR *RW
W/*RHW &/OR *RW
W/*AIC,*RHW,*RW,*SNR &/OR *TAC
*FRG
*FRG,W/*TAC &/OR *RW
*FRG,W/*SNR,*TAC &/OR *RW
*FRG &/OR *RW
W/*RW
SWEDEN SPEC,W/*TAC &/OR *RW
SWEDEN SPEC
SWEDEN SPEC;SWEDEN SPEC,W/*TAC &/OR *RW
W/*SNR,*TAC &/OR *RW
W/*AIC,W/*RW & *AIC
W/*SNR,*TAC,*RW &/OR *AIC
sub82131-10451
W/*SNR,*TAC,*RW &/OR *AIC
W/*AIC &/OR *RW
*FRG;*FRG,W/*SNR,*TAC &/OR *RW
*FRG,W/*SNR,*TAC &/OR *RW
sub82131-10541
NORWAY SPEC
NORWAY SPEC,W/*SNR,*TAC&/OR*RW
sub82131-1C060
W/*RW
W/*SNR & *RW,W/*RFL & *RW;W/TURN-OFF WARNING;W/*SNR
ENGLAND SPEC
ENGLAND SPEC
W/O *FRG
W/O *FRG & W/*RW
W/*RW
W/*SNR & *RW
W/*SNR
W/TURN-OFF WARNING;W/*RFL
W/*AIC,W/*RW & *AIC
W/*TAC & *AIC
W/*RFL & *RW
W/O *FRG & W/*SNR,W/*SNR & *RW
W/*SNR & *TAC,W/*RFL & TAC
W/O *FRG & W/TURN-OFF WARNING
W/O *FRG & W/*RFL,W/*RFL & *RW
W/*TAC;W/*TAC & *RW
sub82131-1C141
*FRG
W/TURN-OFF WARNING;W/*RW
W/*SNR & *RW
*FRG & W/*SNR
W/*SNR & TURN-OFF WARNING;W/*SNR
SWEDEN SPEC
FINLAND SPEC
NORWAY SPEC
W/O *FRG
W/*RW,W/*RFL & *RW;W/TURN-OFF WARNING
W/*RW,W/*RFL & *RW;W/TURN-OFF WARNING
*FRG
SWEDEN SPEC, W/*SNR
82210CFUSIBLE LINK
30A,TERM.:FEMALE,PNK,30A
40A,TERM.:FEMALE,GRN,40A
60A,TERM.:FEMALE,YEL,60A
100A,TERM.:MALE,BLUE,100A
82817PROTECTOR, WIRING HARNESS, NO.1
82817BPROTECTOR, WIRING HARNESS, NO.3
82823CAP, TERMINAL, NO.1
STARTER
ALTERNATOR
8401
9011906067
main90119-06067
9161160812
main91611-60812
91651F0816
main91651-F0816
9165241016
main91652-41016
9359016014
main93590-16014
16 parts on this diagram · 7 diagrams in section