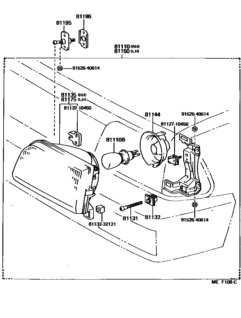
HEADLAMP

81110HEADLAMP ASSY, RH
WHITE
HALOGEN WHITE
WHITE,NATO SPEC
WHITE
HALOGEN WHITE
HALOGEN WHITE,NATO SPEC
HALOGEN YELLOW
81110BBULB(FOR HEADLAMP, NO.1)
12V 45/40W,WHITE,12V 45/40W,WHITE
12V 60/55W,*HAL *WH,12V 60/55W,HALOGEN WHITE NATO
sub90981-13058
12V 60/55W,*HAL *WH,12V 60155W,HAL0GEN WHITE NATO SPEC
sub90981-13058
12V 60/55W,*HAL *WH,12V 60/55W,HALOGEN WHITE
sub90981-13058
12V 60/55W,*HAL *YE,12V 60/55W,HALOGEN YELLOW
sub90981-13H01
81131SCREW, HEADLAMP ADJUSTING
81132NUT, HEADLAMP SELF LOCKING
sub81137-10471
81135UNIT ASSY, HEADLAMP, RH
WHITE
*HAL WHITE
WHITE,NATO SPEC
WHITE OR YELLOW
*HAL(WHITE OR YELLOW)NATO SPEC
*HAL(WHITE OR YELLOW)
81144COVER, HEADLAMP, NO.1
81150HEADLAMP ASSY, LH
WHITE
HALOGEN WHITE
WHITE,NATO SPEC
WHITE
HALOGEN WHITE,NATO SPEC
HALOGEN WHITE
HALOGEN YELLOW
81175UNIT ASSY, HEADLAMP, LH
WHITE
*HAL WHITE
WHITE OR YELLOW
WHITE,NATO SPEC
*HAL(WHITE OR YELLOW)NATO SPEC
*HAL(WHITE OR YELLOW)
81195SCREW, HEADLAMP
81196RETAINER, HEADLAMP
8112710450BEARING, HEADLAMP, NO.1
main81127-10450
8113210450NUT, HEADLAMP SELF LOCKING
main81132-10450
8113232121NUT, HEADLAMP SELF LOCKING
main81132-32121
9152640614
main91526-40614
14 parts on this diagram · 1 diagram in section