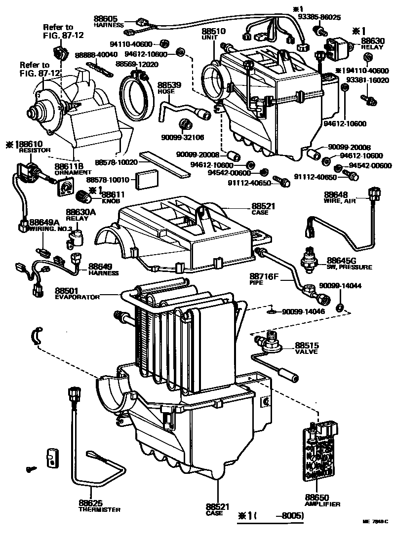
88501EVAPORATOR SUB-ASSY, COOLER, NO.1
main88501-10040iKP62..LHD..5F;KP62..LHD..4F..GEN;KP62..LHD..4F..EUG197810-197903 main88501-10041iKP62..LHD..5F;KP62..LHD..4F..GEN;KP62..LHD..4F..EUG197903-198005 main88501-10042iKP62..LHD..5F;KP62..4F..EUG;KP61..LHD..EUG;KP62..LHD..4F..GEN198005-198208 main88501-10070iKP61..RHD..GEN;KP60..RHD..5D..DLX;KP60..SED..RHD..STD198208-198409 88510UNIT ASSY, COOLER
main88510-10040iKP62..LHD..5F;KP62..LHD..4F..GEN;KP62..LHD..4F..EUG197810-197903 main88510-10041iKP62..LHD..5F;KP62..LHD..4F..GEN;KP62..LHD..4F..EUG197903-198005 main88510-10060iKP62..LHD..5F;KP62..4F..EUG;KP61..LHD..EUG;KP62..LHD..4F..GEN198005-198208 main88510-10090iKP61..RHD..GEN;KP60..RHD..5D..DLX;KP60..SED..RHD..STD198208-198409 main88510-10110iKP61..RHD..GEN;KP60..RHD..5D..DLX;KP60..SED..RHD..STD198208-198409 W/BOOST VENTILATOR
88515VALVE, COOLER EXPANSION
main88515-16020iKP61..RHD..GEN;KP60..RHD..5D..DLX;KP60..SED..RHD..STD198208-198409 main88515-20040iKP62..LHD..5F;KP61..LHD..EUG;KP62..LHD..4F..GEN;KP62..LHD..4F..EUG197810-198208 88521CASE, COOLER UNIT
main88521-10030iKP62..LHD..5F;KP62..4F..EUG;KP61..LHD..EUG;KP62..LHD..4F..GEN198008-198208 UPR
main88521-10040iKP62..LHD..5F;KP62..4F..EUG;KP61..LHD..EUG;KP62..LHD..4F..GEN198008-198208 LWR
88539HOSE, COOLER UNIT DRAIN, NO.1
main88539-10040iKP62..LHD..5F;KP61..LHD..EUG;KP62..LHD..4F..GEN;KP62..LHD..4F..EUG197810-198208 main88539-10060iKP61..RHD..GEN;KP60..RHD..5D..DLX;KP60..SED..RHD..STD198208-198409 88605HARNESS SUB-ASSY, COOLER WIRING, NO.1
main88605-10040iKP62..LHD..5F;KP62..LHD..4F..GEN;KP62..LHD..4F..EUG197810-198005 main88605-10080iKP62..LHD..5F;KP62..4F..EUG;KP61..LHD..EUG;KP62..LHD..4F..GEN198005-198208 main88605-10150iKP61..RHD..GEN;KP60..RHD..5D..DLX;KP60..SED..RHD..STD198208-198409 W/BOOST VENTILATOR
main88605-10150iKP61..RHD..GEN;KP60..RHD..5D..DLX;KP60..SED..RHD..STD198208-198409 W/BOOST VENTILAOR
88610SWITCH ASSY, COOLER CONTROL
main88610-10010iKP62..LHD..5F;KP62..LHD..4F..GEN;KP62..LHD..4F..EUG197810-198005 88611KNOB, COOLER CONTROL SWITCH
main88611-10010iKP62..LHD..5F;KP62..LHD..4F..GEN;KP62..LHD..4F..EUG197810-198005 88611BPLATE, COOLER CONTROL SWITCH
main88895-10010iKP62..LHD..5F;KP62..LHD..4F..GEN;KP62..LHD..4F..EUG197810-198005 main88895-10070iKP62..LHD..5F;KP62..4F..EUG;KP61..LHD..EUG;KP62..LHD..4F..GEN198005-198208 88625THERMISTOR, COOLER, NO.1
main88625-12050iKP62..LHD..5F;KP62..LHD..4F..GEN;KP62..LHD..4F..EUG197810-198208 main88625-12070iKP61..RHD..GEN;KP60..RHD..5D..DLX;KP60..SED..RHD..STD198208-198409 main88625-20060iKP62..LHD..5F;KP62..4F..EUG;KP61..LHD..EUG;KP62..LHD..4F..GEN198005-198208 88630RELAY ASSY, COOLER
main88630-10010iKP62..LHD..5F;KP62..LHD..4F..GEN;KP62..LHD..4F..EUG197810-198005 88630ARELAY ASSY, COOLER
main88630-10020iKP62..LHD..5F;KP62..4F..EUG;KP61..LHD..EUG;KP62..LHD..4F..GEN198005-198208 88645GSWITCH, PRESSURE
main88645-12020iKP61..RHD..GEN;KP60..RHD..5D..DLX;KP60..SED..RHD..STD198208-198409 main88645-22010iKP62..LHD..5F;KP61..LHD..EUG;KP62..LHD..4F..GEN;KP62..LHD..4F..EUG197810-198208 88648WIRING, COOLER, NO.1
main88648-10070iKP62..LHD..5F;KP62..LHD..4F..GEN;KP62..LHD..4F..EUG197903-198208 main88648-10130iKP62..LHD..5F;KP62..4F..EUG;KP61..LHD..EUG;KP62..LHD..4F..GEN198008-198208 main88648-12110iKP62..LHD..5F;KP62..LHD..4F..GEN;KP62..LHD..4F..EUG197810-197903 88649WIRING, COOLER, NO.2
main88648-10100iKP62..LHD..5F;KP62..4F..EUG;KP61..LHD..EUG;KP62..LHD..4F..GEN198005-198208 main88648-10180iKP61..RHD..GEN;KP60..RHD..5D..DLX;KP60..SED..RHD..STD198208-198409 88649AWIRING, COOLER, NO.3
main88648-10110iKP62..LHD..5F;KP62..4F..EUG;KP61..LHD..EUG;KP62..LHD..4F..GEN198005-198409 88650AMPLIFIER ASSY, COOLER STABILIZER
main88650-10020iKP62..LHD..5F;KP62..4F..EUG;KP61..LHD..EUG;KP62..LHD..4F..GEN198008-198208 main88650-10030iKP61..RHD..GEN;KP60..RHD..5D..DLX;KP60..SED..RHD..STD198208-198409 main88650-16010iKP61..RHD..GEN;KP60..RHD..5D..DLX;KP60..SED..RHD..STD198208-198409 W/BOOST VENTILATOR
main88650-20100iKP62..LHD..5F;KP62..LHD..4F..GEN;KP62..LHD..4F..EUG197810-198008 88716FPIPE, COOLER REFRIGERANT LIQUID, F
main88716-10190iKP62..LHD..5F;KP62..LHD..4F..GEN;KP62..LHD..4F..EUG197810-198005 main88716-10230iKP62..LHD..5F;KP62..4F..EUG;KP61..LHD..EUG;KP62..LHD..4F..GEN198005-198208 main88716-10360iKP61..RHD..GEN;KP60..RHD..5D..DLX;KP60..SED..RHD..STD198208-198409 8856912020CLAMP (FOR COOLER RELAY)
8857810010PAKING, COOLER AIR DUCT
8857810020PAKING, COOLER AIR DUCT
8888840040BAND (FOR COOLER COMPRESSOR)