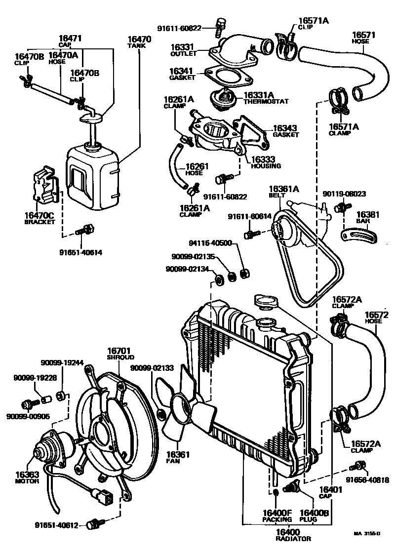
RADIATOR & WATER OUTLET

16261HOSE, WATER BY-PASS
16261ACLAMP OR CLIP, HOSE(FOR WATER BY-PASS HOSE)
16331OUTLET, WATER
16331ATHERMOSTAT
*WAX 82-95,*(F)
16333HOUSING, WATER OUTLET
16341GASKET, WATER OUTLET
16343GASKET, WATER OUTLET HOUSING
16361FAN
4 BLADES
W/COOLER
W/COOLER
16361ABELT, V(FOR FAN & ALTERNATOR)
L=810 12V 30A ALTERNATOR
L=840
L=850
L=855
L=860 W/COOLER
L=870
W/RR WINDOW DEF OR COOLER
L=870,RR WINDOW DEFOGGER
COLD SPEC
W/RR WINDOW DEF OR COOLER
W/RR WINDOW DEF & COOLER
L=885
16363MOTOR, COOLING FAN
W/COOLER
W/COOLER
16381BAR, FAN BELT ADJUSTING
16400RADIATOR ASSY
W/COOLER
W/COOLER,MIDDLE EAST SPEC
MIDDLE EAST SPEC
W/COOLER
W/COOLER
16400BPLUG, RADIATOR DRAIN COCK
16400FPACKING(FOR RADIATOR DRAIN COCK)
16401CAP SUB-ASSY, RADIATOR
16470TANK ASSY, RADIATOR RESERVE
16470AHOSE OR PIPE(FOR RADIATOR RESERVE TANK)
16470BCLAMP OR CLIP(FOR RADIATOR RESERVE TANK HOSE)
16470CBRACKET(FOR RADIATOR RESERVE TANK)
16471CAP SUB-ASSY, RESERVE TANK
16571HOSE, RADIATOR, INLET
16571ACLAMP OR CLIP, HOSE(FOR RADIATOR INLET)
RADIATOR SIDE
16572HOSE, RADIATOR, OUTLET
16572ACLAMP OR CLIP, HOSE(FOR RADIATOR OUTLET NO.1)
9009900905
main90099-00905
9009902133
main90099-02133
9009902134
main90099-02134
9009902135
main90099-02135
9009919228
main90099-19228
9009919244
main90099-19244
9011908023
9161160614
9161160822
9165140612
9165140614
9165640818
9411540500
38 parts on this diagram · 5 diagrams in section