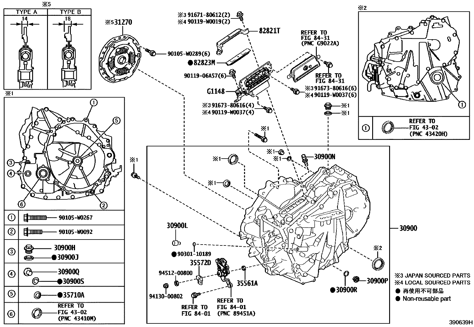
TRANSAXLE ASSY(HEV OR BEV OR FCEV)

30900TRANSAXLE ASSY, HYBRID VEHICLE
(L)
(J)
30900HPLUG, W/HEAD STRAIGHT SCREW, NO.3(FOR TRANSAXLE HSG & CASE)
30900JGASKET, NO.3(FOR TRANSAXLE HOUSING & CASE)
30900LUNION(FOR TRANSAXLE HOUSING)
30900NPLUG, BREATHER(FOR TRANSAXLE)
30900PPLUG, DRAIN(HEV)
30900RGASKET, DRAIN PLUG(HEV)
30900SGASKET, FILLER PLUG(HEV)
31270DAMPER ASSY, TRANSMISSION INPUT
PNC 13405=TYPE B
35561ASEAL, TYPE T OIL(FOR PARKING LOCK SHAFT)
35572DLEVER, TRANSMISSION CONTROL SHAFT
35710ASEAL, TYPE T OIL(FOR INPUT SHAFT)
4302
82821TCOVER, CONNECTOR
82823MCAP, TERMINAL
8401
8431
G1148CABLE, MOTOR
90105W0092
main90105-W0092
90105W0267
main90105-W0267
90105W0289
main90105-W0289
9011906A57
main90119-06A57
90119W0019
main90119-W0019
90119W0037
main90119-W0037
9030110189
main90301-10189
9167180612
main91671-80612
9167380616
main91673-80616
9413000802
main94130-00802
9451200800
main94512-00800
30 parts on this diagram · 2 diagrams in section