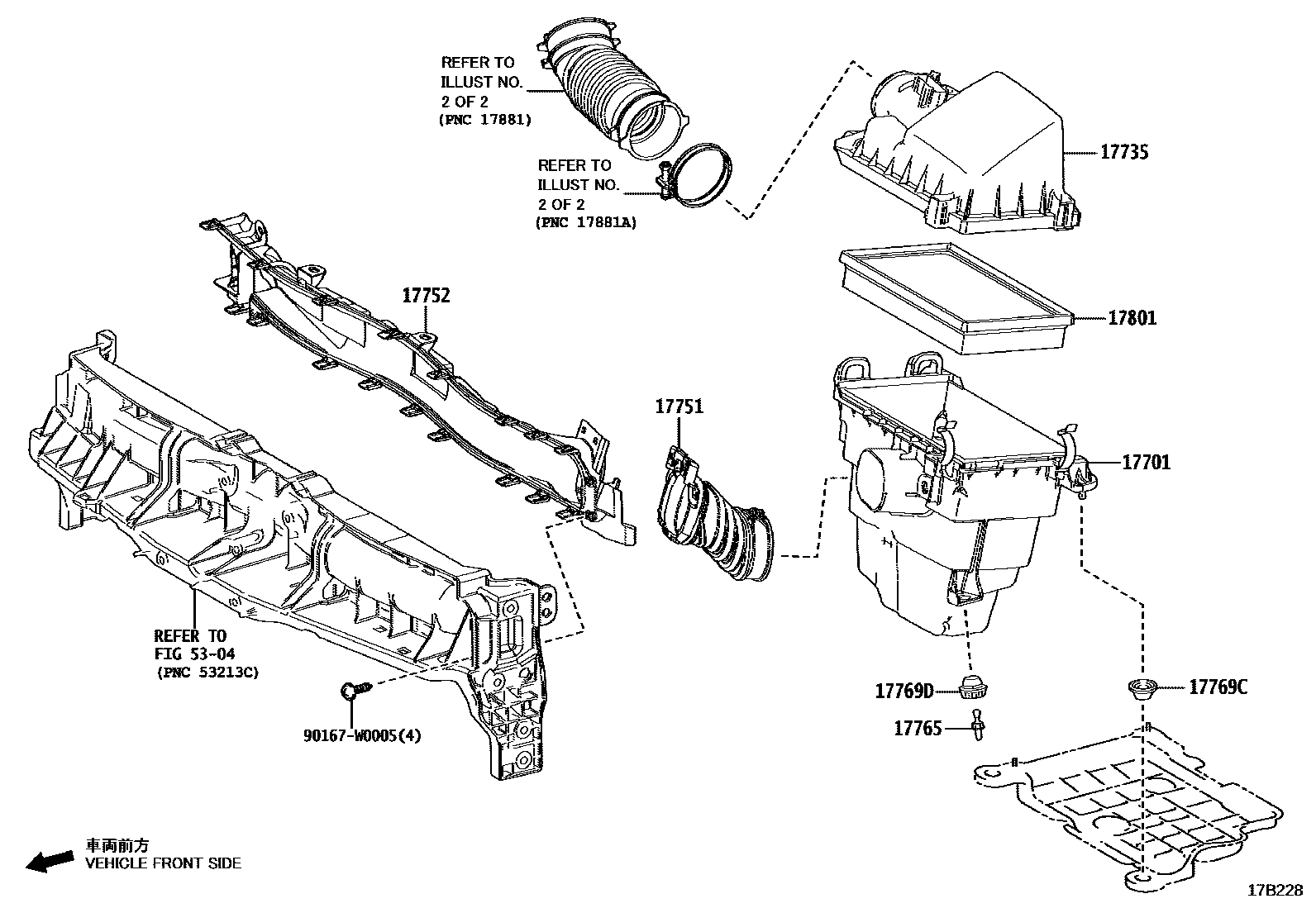
17701CASE SUB-ASSY, AIR CLEANER
main17701-15310iM15AFKS..MXPA11..LHD..CVT..N202205-202407 main17701-K0030i1KRFE..KSP211..G,N;1KRFE..KSP211..LHD..R202007-202407 main17701-K0040iM15AFXE..MXPH11..G;M15AFXE..MXPH11..R..CZEP202007-202401 17751INLET, AIR CLEANER, NO.1
main17751-K0030iM15AFKS..MXPA11..LHD..(G,S,V);M15AFKS..MXPA11..RHD..6F..(S,V);M15AFKS..MXPA11..RHD..CVT..(N,S)202007-202407 main17751-K0040iM15AFXE..MXPH11..N,S,V;M15AFXE..MXPH11..LHD..R..FRP202007-202401 17752INLET, AIR CLEANER, NO.2
main17752-F3040iM15AFKS..MXPA11..RHD..G;M15AFXE..MXPH11..RHD..R202203-202407 17765STAY, AIR CLEANER, NO.1
main17765-25010i1KRFE..KSP211..G,N;1KRFE..KSP211..LHD..R202007-202407 17769SUPPORT, AIR CLEANER
main17769-25030iM15AFXE..MXPH11..G;M15AFXE..MXPH11..R..CZEP202007-202407 17769CSUPPORT, AIR CLEANER, NO.1
main17769-25020iM15AFKS..MXPA11..6F..N;M15AFKS..MXPA11..LHD..CVT..N202007-202407 17769DSUPPORT, AIR CLEANER, NO.2
17801ELEMENT SUB-ASSY, AIR CLEANER FILTER
main17801-15090iM15AFKS..MXPA11..LHD..CVT..N202205-202407 main17801-K0030iM15AFXE..MXPH11..N,S,V;M15AFXE..MXPH11..LHD..R..FRP202007-202401