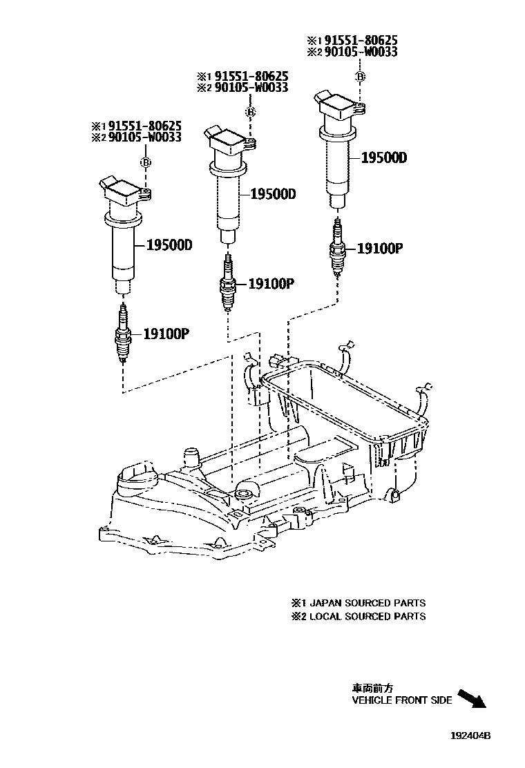
IGNITION COIL & SPARK PLUG / GLOW PLUG

19100PPLUG, SPARK
SK16HR11,(J)
SC20HR11
FK16R-A8
SC16HR11
SK16HR11,(L)
19500DCOIL, IGNITION, NO.1
(J)
(L)
90105W0033
main90105-W0033
9155180625
main91551-80625
5 parts on this diagram · 3 diagrams in section

5 parts on this diagram · 3 diagrams in section