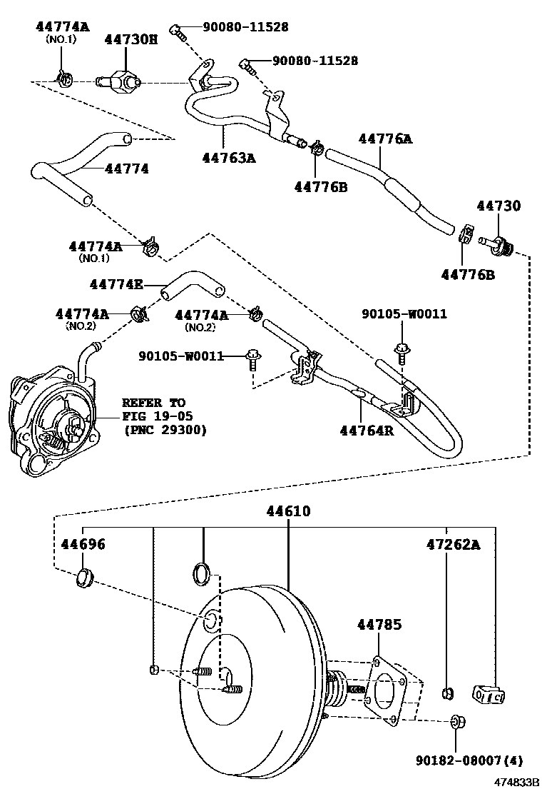
BRAKE BOOSTER & VACUUM TUBE

1905
44610BOOSTER ASSY, BRAKE
ENGINE-WITHOUT(STOP & START SYSTEM)
44696GROMMET, CHECK VALVE
44730VALVE ASSY, VACUUM CHECK(FOR BRAKE)
44730HVALVE ASSY, VACUUM CHECK(FOR VACUUM RESERVOIR)
44763ATUBE, HOSE TO HOSE, NO.1
44764RTUBE, CONNECTOR TO VACUUM RESERVOIR
44774HOSE, UNION TO CONNECTOR TUBE
44774ACLIP(FOR UNION TO CONNECTOR TUBE HOSE)
NO.1
NO.2
44774EHOSE, UNION TO CONNECTOR TUBE
44776HOSE, BRAKE BOOSTER
44776AHOSE, VACUUM RESERVOIR TO BRAKE BOOSTER
44776BCLIP(FOR VACUUM RESERVOIR TO BRAKE BOOSTER)
44785GASKET, BRAKE BOOSTER
47262ANUT, MASTER CYLINDER PUSH ROD CLEVIS LOCK
9008011528
main90080-11528
90105W0011
main90105-W0011
9018208007
main90182-08007
18 parts on this diagram · 12 diagrams in section