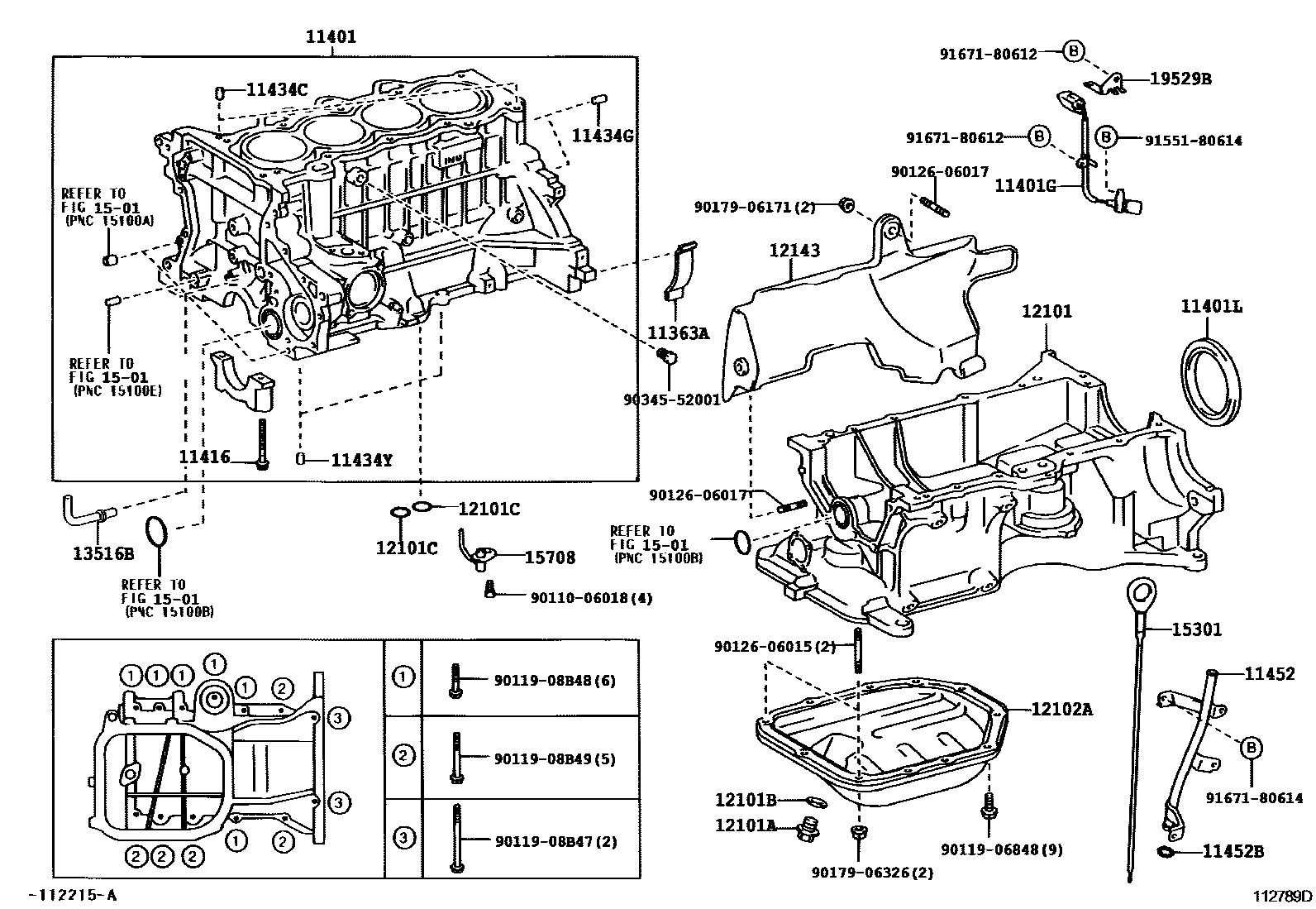
CYLINDER BLOCK

11363ACOVER, FLYWHEEL HOUSING SIDE
11401GSENSOR, CRANK POSITION
11401LSEAL, ENGINE REAR OIL
(L)
11434CPIN, STRAIGHT (FOR CYLINDER HEAD SET)
L=18,OD=8
L=12,OD=12
11434GPIN, STRAIGHT(FOR END PLATE)
11434YPIN, STRAIGHT(FOR OIL PAN)
11452GUIDE, OIL LEVEL GAGE
11452BRING, O(FOR OIL LEVEL GAGE GUIDE)
12101PAN SUB-ASSY, OIL
12101APLUG(FOR OIL PAN DRAIN)
12101BGASKET(FOR OIL PAN DRAIN PLUG)
(L)
(J)
12101CRING, O(FOR OIL PAN)
12102APAN SUB-ASSY, OIL, NO.2
12143COVER, OIL PAN
13516BJET, OIL
sub13516-21021
1501
15301GAGE SUB-ASSY, OIL LEVEL
15708NOZZLE SUB-ASSY, OIL, NO.1
19529BCLAMP
9011006018
main90110-06018
9011906848
main90119-06848
9011908B47
main90119-08B47
9011908B48
main90119-08B48
9011908B49
main90119-08B49
9012606015
main90126-06015
9012606017
main90126-06017
9017906171
main90179-06171
9017906326
main90179-06326
9034552001
main90345-52001
9155180614
main91551-80614
9167180612
main91671-80612
9167180614
main91671-80614
34 parts on this diagram · 4 diagrams in section