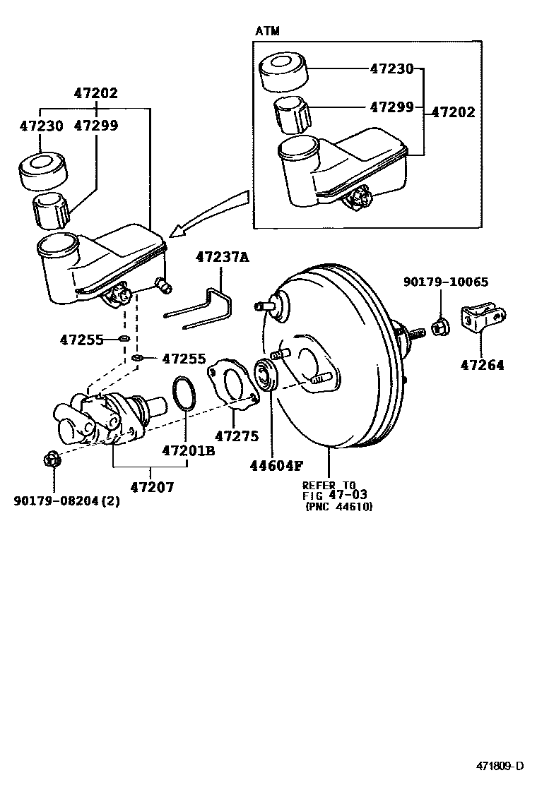
BRAKE MASTER CYLINDER

44604FSEAL, BRAKE BOOSTER BODY
W(VSC)
W(VSC)
4703
47201CYLINDER SUB-ASSY, BRAKE MASTER
W(VSC)
47201BRING, O(FOR BRAKE MASTER CYLINDER)
W(VSC)
47202RESERVOIR SUB-ASSY, BRAKE MASTER CYLINDER
W(VSC)
W(VSC)
47207CYLINDER SUB-ASSY, BRAKE MASTER LESS RESERVOIR TANK
W(ABS)
W(ABS)
W(VSC)
W(VSC)
47237ASTOPPER, BREKE MASTER CYLINDER RESERVOIR TANK
47255GROMMET, MASTER CYLINDER RESERVOIR
W(VSC)
47264CLEVIS, MASTER CYLINDER PUSH ROD
W(VSC)
47275GASKET, BRAKE MASTER CYLINDER
W(VSC)
47299STRAINER, BRAKE MASTER CYLINDER RESERVOIR
W(VSC)
9017908204
main90179-08204
9017910065
main90179-10065
14 parts on this diagram · 5 diagrams in section