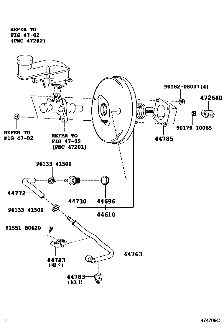
BRAKE BOOSTER & VACUUM TUBE

44610BOOSTER ASSY, BRAKE
VSC-WITH
VSC-WITH
44696GROMMET, CHECK VALVE
VSC-WITH
VSC-WITH
44730VALVE ASSY, VACUUM CHECK(FOR BRAKE)
VSC-WITH
VSC-WITH
44763TUBE, BOOSTER VACUUM
VSC-WITH
VSC-WITH
44772HOSE, CHECK VALVE TO CONNECTOR TUBE
VSC-WITH
VSC-WITH
44783CLAMP, VACUUM HOSE
VSC-WITH,NO.2
NO.2
VSC-WITH,NO.1
NO.1
NO.2
44785GASKET, BRAKE BOOSTER
4702
47264DCLEVIS, BRAKE MASTER CYLINDER PUSH ROD
REAR WHEEL BRAKE-DISK(BUILT-IN)&VSC-WITH
VSC-WITH
VSC-WITH
9017910065
9018208007
9155180620
9613341500
13 parts on this diagram · 4 diagrams in section