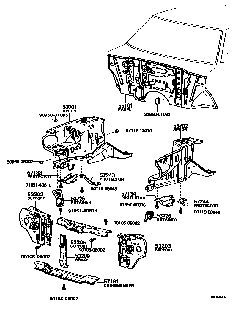
FRONT FENDER APRON & DASH PANEL

53701APRON SUB-ASSY, FRONT FENDER, RH
sub53701-10080
sub53701-10044
sub53701-10090
sub53701-10054
W/PROPORTIONING VALVE
W/PROPORTIONING VALVE
53702APRON SUB-ASSY, FRONT FENDER, LH
sub53702-10080
sub53702-10073
sub53702-96400
sub53702-10110
sub53702-10093
sub53702-96401
53725RETAINER, FRONT BUMPER STAY, RH
53726RETAINER, FRONT BUMPER STAY, LH
55101PANEL SUB-ASSY, DASH
SWITZERLAND SPEC
W/TANDEM M/C
57133PROTECTOR, STRUT BAR BRACKET, RH
COLD SPEC
57134PROTECTOR, STRUT BAR BRACKET, LH
COLD SPEC
57243PROTECTOR, LOWER ARM, RH
COLD SPEC
57244PROTECTOR, LOWER ARM, LH
COLD SPEC
5711812010PLATE SUB-ASSY, FRONT SIDE MEMBER, FRONT LH
main57118-12010
9010506002
main90105-06002
9011908048
main90119-08048
9095001023
main90950-01023
9095001065
main90950-01065
9095006002
main90950-06002
9165140618
main91651-40618
9165140816
main91651-40816
22 parts on this diagram · 1 diagram in section