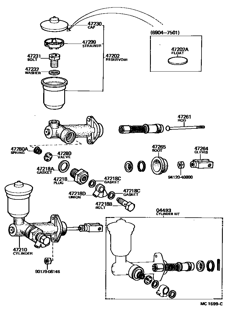
BRAKE MASTER CYLINDER

04493CYLINDER KIT, BRAKE MASTER
FR DISC BRAKE
W/TANDEM M/C
W/TANDEM M/C
W/TANDEM M/C & BOOSTER
47202RESERVOIR SUB-ASSY, BRAKE MASTER CYLINDER
sub47202-12080
DRUM BRAKE
DRUM BRAKE
W/TANDEM M/C
W/TANDEM M/C & BOOSTER
sub47202-12080
DISC BRAKE
47202AFLOAT, MASTER CYLINDER RESERVOIR
W/TANDEM M/C & BOOSTER
OD=49
W/TANDEM M/C
OD=35.5
47210CYLINDER ASSY, MASTER, W/O BOOSTER
FR DISC,W/TANDEM M/C,ENGLAND
DISC BRAKE
DRUM BRAKE
W/TANDEM M/C
W/TANDEM M/C & BOOSTER
47218PLUG, MASTER CYLINDER FLUID OUTLET
W/TANDEM M/C & BOOSTER
W/TANDEM M/C
W/TANDEM M/C
47218AGASKET(FOR FLUID OUTLET PLUG)
W/TANDEM M/C
W/TANDEM M/C & BOOSTER
W/TANDEM M/C
47218BBOLT, UNION(FOR MASTER CYLINDER FLUID OUTLET)
47218CGASKET(FOR MASTER CYLINDER FLUID OUTLET)
47218DUNION(FOR MASTER CYLINDER FLUID OUTLET)
W/TANDEM M/C
W/TANDEM M/C
W/TANDEM M/C & BOOSTER
47230CAP ASSY, BRAKE MASTER CYLINDER RESERVOIR FILLER
sub31440-35010
W/TANDEM M/C
sub47230-20040
W/TANDEM M/C
47264CLEVIS, MASTER CYLINDER PUSH ROD
sub47264-10040
sub47264-10040
W/TANDEM M/C
W/TANDEM M/C & BOOSTER
W/TANDEM M/C & BOOSTER
47265BOOT, MASTER CYLINDER
W/TANDEM M/C
W/TANDEM M/C
W/TANDEM M/C & BOOSTER
47280VALVE ASSY, BRAKE MASTER CYLINDER OUTLET CHECK
W/TANDEM M/C
47299STRAINER, BRAKE MASTER CYLINDER RESERVOIR
W/TANDEM M/C & BOOSTER
W/TANDEM M/C
9017908146
main90179-08146
9412040800
main94120-40800
20 parts on this diagram · 5 diagrams in section