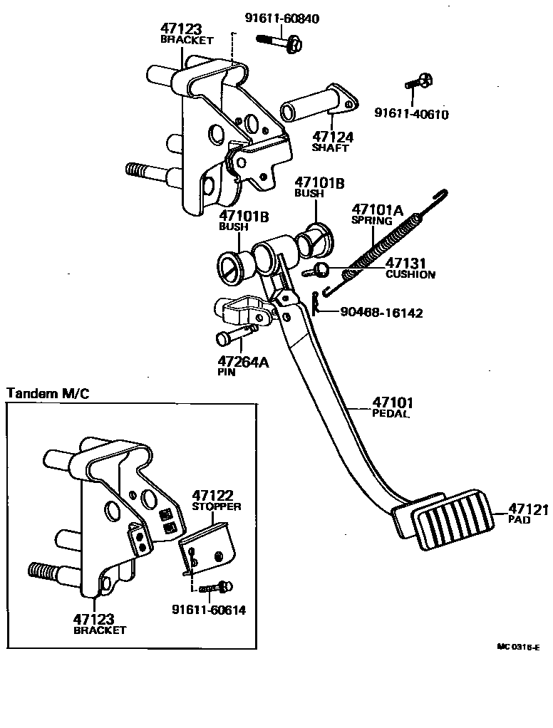
BRAKE PEDAL & BRACKET

47101PEDAL SUB-ASSY, BRAKE
sub47101-10053
sub47101-10062
W/TANDEM M/C & BOOSTER
W/TANDEM M/C
W/TANDEM M/C
47101ASPRING(FOR BRAKE PEDAL RETURN)
WD=1.2,CW=30.5
W/TANDEM M/C
47101BBUSH(FOR BRAKE PEDAL)
W/TANDEM M/C
47121PAD, BRAKE PEDAL
47122STOPPER, BRAKE PEDAL
W/TANDEM M/C & BOOSTER
47124SHAFT, BRAKE PEDAL
W/BOOSTER
W/TANDEM M/C
47131CUSHION(FOR STOP LAMP SWITCH)
47264APIN(FOR PUSH ROD)
W/TANDEM M/C
9046816142
main90468-16142
9161140610
main91611-40610
9161160614
main91611-60614
9161160840
main91611-60840
13 parts on this diagram · 4 diagrams in section