E
EPC Data

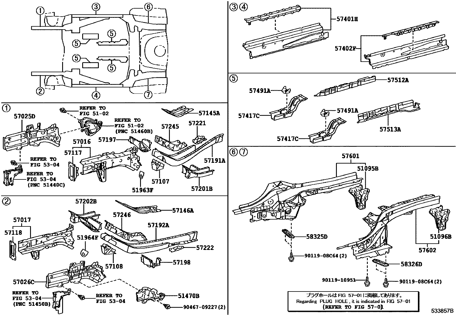
FLOOR SIDE MEMBER

Parts diagram
5102
51095BHOOK SUB-ASSY, TRANSPORT, REAR RH
main51095-74010i201209
51096BHOOK SUB-ASSY, TRANSPORT, REAR LH
main51095-74010i201209
51470BCOVER ASSY, MOTOR SIDE UNDER, REAR LH
main51470-74010i201209-201212
51963FHOOK, TRANSPORT
main51963-52050i201209
51964FHOOK, TRANSPORT, LH
main51963-52050i201209
5304
5701
57016REINFORCEMENT SUB-ASSY, FRONT SIDE MEMBER, RH
main57016-74010i201209
57017REINFORCEMENT SUB-ASSY, FRONT SIDE MEMBER, LH
main57017-74010i201209
57025DMEMBER SUB-ASSY, FRONT SIDE, OUTER RH
main57025-74010i201209
57026CMEMBER SUB-ASSY, FRONT SIDE, OUTER LH
main57026-74010i201209
57107BRACKET SUB-ASSY, STRUT BAR, RH
main57107-74010i201209
57108BRACKET SUB-ASSY, STRUT BAR, LH
main57108-74010i201209
57117PLATE SUB-ASSY, FRONT SIDE MEMBER, FRONT RH
main57119-74010i201209
57118PLATE SUB-ASSY, FRONT SIDE MEMBER, FRONT LH
main57129-74010i201209
57145AREINFORCEMENT, FRONT SIDE MEMBER, REAR RH
main57145-74010i201209
57146AREINFORCEMENT, FRONT SIDE MEMBER, REAR LH
main57146-74010i201209
57191AMEMBER, FRONT SIDE, INNER REAR RH
main57191-74010i201209
57192AMEMBER, FRONT SIDE, INNER REAR LH
main57192-74010i201209
57197BOX, TORQUE, FRONT RH
main57197-74010i201209
57198BOX, TORQUE, FRONT LH
main57198-74010i201209
57201BEXTENSION SUB-ASSY, FRONT SIDE MEMBER, RH
main57203-74010i201209
57202BEXTENSION SUB-ASSY, FRONT SIDE MEMBER, LH
main57204-74010i201209
57221BRACKET, FRONT SIDE MEMBER, RH
main57433-74010i201209
57222BRACKET, FRONT SIDE MEMBER, LH
main57434-74010i201209
57245REINFORCEMENT, FRONT SIDE MEMBER, NO.9 RH
main57245-74010i201209
57246REINFORCEMENT, FRONT SIDE MEMBER, NO.9 LH
main57246-74010i201209
57401HMEMBER SUB-ASSY, FLOOR SIDE, INNER RH
main57401-74020i201209
57402FMEMBER SUB-ASSY, FLOOR SIDE, INNER LH
main57402-74020i201209
57417CREINFORCEMENT, FRONT FLOOR UNDER
main57417-74020i201209
57491ARETAINER, FLOOR MEMBER REINFORCEMENT
main57491-74010i201209
57512AREINFORCEMENT, FRONT FLOOR, RH
main58102-74020i201209
57513AREINFORCEMENT, FRONT FLOOR, LH
main58103-74020i201209
57601MEMBER SUB-ASSY, REAR FLOOR SIDE, RH
main57601-74020i201209
57602MEMBER SUB-ASSY, REAR FLOOR SIDE, LH
main57602-74020i201209
58325DBRACE, REAR FLOOR PANEL, RH
main58035-74020i201209
58326DBRACE, REAR FLOOR PANEL, LH
main58036-74020i201209
9011908C64
9011910951
9046709227

41 parts on this diagram · 1 diagram in section

FLOOR SIDE MEMBER — Toyota Parts Diagram with OEM Numbers & Prices | EPC Data