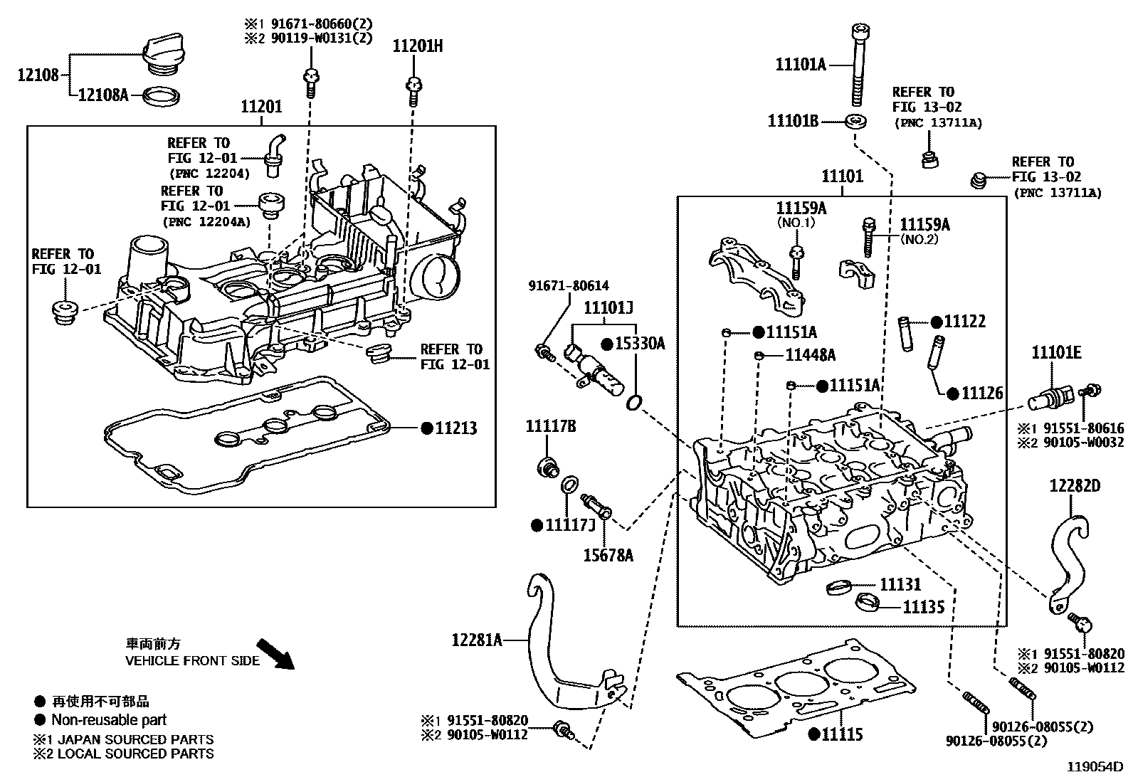
CYLINDER HEAD

11101HEAD SUB-ASSY, CYLINDER
11101ABOLT(FOR CYLINDER HEAD SET)
11101BWASHER, PLATE(FOR CYLINDER HEAD SET)
11101ESENSOR, CAM POSITION
11115GASKET, CYLINDER HEAD
11117BPLUG, W/HEAD TAPER SCREW, NO.2
11117JGASKET(FOR CYLINDER HEAD SCREW PLUG)
11122BUSH, INTAKE VALVE GUIDE
STD
O/S 0.05
11126BUSH, EXHAUST VALVE GUIDE
STD
O/S 0.05
11131SEAT, INTAKE VALVE
STD
STD
O/S 0.03
O/S 0.03
11135SEAT, EXHAUST VALVE
STD
O/S 0.03
O/S 0.03
11151APIN, RING(FOR CAMSHAFT BEARING CAP SETTING)
L=11,OD=9
11159ABOLT(FOR HEAD TO CAMSHAFT BEARING CAP)
(L),NO.1
(J),NO.2
(L),NO.2
(J),NO.1
11201HBOLT(FOR CYLINDER HEAD COVER)
(J)
(L)
11213GASKET, CYLINDER HEAD COVER
11448AORIFICE, CYLINDER HEAD OIL
1201
12108CAP SUB-ASSY, OIL FILLER
12108AGASKET(FOR OIL FILLER CAP)
12281AHANGER, ENGINE, NO.1
12282DHANGER, ENGINE, NO.2
1302
15330ARING, O(FOR CAM TIMING OIL CONTROL VALVE)
15678AFILTER, OIL CONTROL VALVE
NO.1
NO.2
90105W0032
main90105-W0032
90105W0112
main90105-W0112
90119W0131
main90119-W0131
9012608055
main90126-08055
9155180616
main91551-80616
9155180820
main91551-80820
9167180614
main91671-80614
9167180660
main91671-80660
34 parts on this diagram · 4 diagrams in section