HEATING & AIR CONDITIONING - CONTROL & AIR DUCT

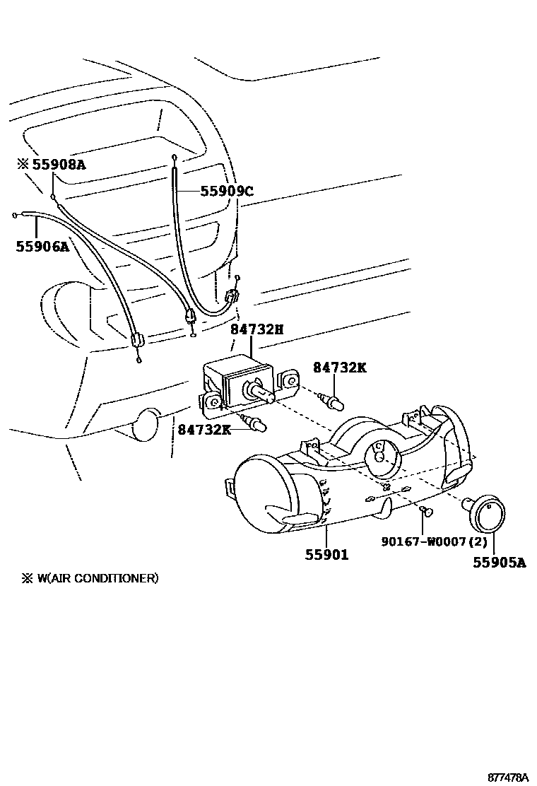
55905AKNOB, HEATER CONTROL
55906ACABLE SUB-ASSY, DEFROSTER DAMPER CONTROL
55908ACABLE SUB-ASSY, AIR INLET DAMPER CONTROL
55909CCABLE SUB-ASSY, AIRMIX DAMPER CONTROL
84732HSWITCH, HEATER BLOWER
84732KBULB, HEATER BLOWER SWITCH
12V 0.6W
90167W0007
main90167-W0007
8 parts on this diagram · 2 diagrams in section